Курсовая работа: Центробежный консольный насос для перекачки кислоты
Описание
Исходные данные:
Среда CaCl2
Подача насоса Q=5,8 л/с
Напор Н=32м
Число оборотов ЭД n=3000 об/мин
Температура среды на входе tвх=-150С
Марка насоса К20/30 А


Содержание
Техническое задание……………………………………………..…………….2
Введение…………………………………………………………..……….………...4
1. ОБЗОР КОНСТРУКЦИЙ ЦЕНТРОБЕЖНЫХ НАСОСОВ.………..……………..7
1.1. Классификация динамических насосов.……..………………..8
1.2. Центробежные насосы.……………………………………………..11
2. РАСЧЕТ И КОНСТРУИРОВАНИЕ ОСНОВНЫХ УЗЛОВ ЦЕНТРОБЕЖНОГО НАСОСА.…………………………………………………………...………………...24
2.1. Ориентировочное определение размеров центробежного насоса ………………………………………………….…………..….25
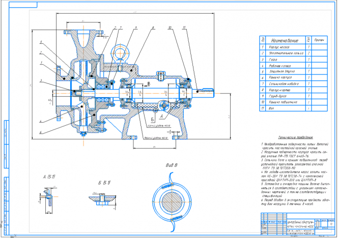
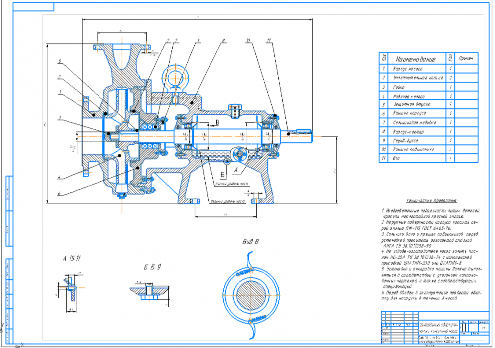
2.2. Выбор типа, размеров и расположения опор вала. Уравновешивание осевой силы колеса. Долговечность опор…………………………………………………………………........33
2.3. Определение размеров выходных улиток и выбор их конструктивного исполнения ...………………..…….………..37
2.4. Конструирование гидравлической полости. Конструирование уплотнения гидравлической
полости…………………………………………………………………40
2.5. Крепление подшипников и крыльчатки на валу
насоса …………..........................................................................……..43
2.6. Схема и описание сборки и разборки основного узла насоса…………………………………………………………………..45
2.7. Разработка системы смазки ………………...…………………46
2.8. Рассмотрение варианта насоса с улиткой меньшего размера ……........……………………………………………….…….49
2.9. Выбор материала деталей насоса, обеспечивающего долговечность ………………………..…...………………………..50
2.10. Расчет вала насоса ……..……………………….……………..53
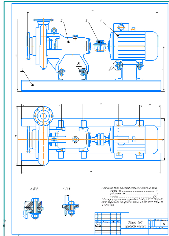
2.11. Подбор муфты соединяющей вала насоса с валом
электродвигателя ……….………..………………..………………………55
Список используемой литературы ………………………………...….….57
Характеристики курсовой работы
Список файлов
