Для студентов МГТУ им. Н.Э.Баумана по предмету Конструкторско-технологический практикум (КТП)Отчет по конструкторско-технологической практике на АО «МИТ» Отчет по конструкторско-технологической практике на АО «МИТ»
5,0051
2021-07-292021-07-29СтудИзба
Другое: Отчет по конструкторско-технологической практике на АО «МИТ»
Описание
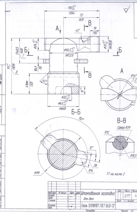
29 страниц (с приложением и чертежами)отчет с исследованием процесса штамповки камеры малоимпульсного двигателя закрутки (маршрутная карта)
и тд




и тд
Характеристики учебной работы
Тип
Учебное заведение
Семестр
Просмотров
34
Размер
10,08 Mb
Список файлов
Отчет
приложение
2021-07-19-13-15-44-01.jpg
2021-07-19-13-19-45-01.jpg
2021-07-19-13-20-18-01.jpg
2021-07-19-13-20-34-01.jpg
2021-07-19-13-20-53-01.jpg
2021-07-19-13-21-12-01.jpg
2021-07-19-13-21-29-01.jpg
2021-07-19-13-21-45-01.jpg
2021-07-19-13-21-59-01.jpg
2021-07-19-13-22-14-01.jpg
2021-07-19-13-22-28-01.jpg
2021-07-19-13-22-43-01.jpg
2021-07-19-13-22-58-01.jpg
2021-07-19-13-23-13-01.jpg
2021-07-19-13-23-30-01.jpg
2021-07-19-13-23-47-01.jpg
2021-07-19-13-24-02-01.jpg
2021-07-19-13-24-18-01.jpg
2021-07-19-13-25-10-01.jpg
2021-07-19-13-25-23-01.jpg
Отчет МИТ.docx

Ваше экономие времени является моей ГЛАВНОЙ задачей! Если я Вам хоть чуть-чуть помог, пожалуйста, сделайте и мне приятное, оставьте 5 ЗВЁЗД и позитивный комментарий. Большое спасибо!