Для студентов МГТУ им. Н.Э.Баумана по предмету Конструирование оптико-электронных приборовПривод системы переменного увеличенияПривод системы переменного увеличения
5,0051
2021-04-042021-04-04СтудИзба
Курсовая работа: Привод системы переменного увеличения
Описание
Привод системы переменного увеличения
РПЗ КП РЛ2-51.pdf
Чертеж общего вида РЛ2-51.pdf
Перечень элементов чертежа общего вида РЛ2-51.PDF
Перечень элементов чертежа общего вида РЛ2-51.PDF
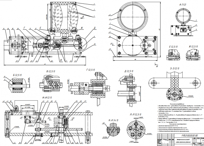
Общий сборочный чертёж Баззаев РЛ2-51.pdf
Спецификация общего сборочного чертежа РЛ2-51.pdf
Кинематическая схема РЛ2-51.pdf
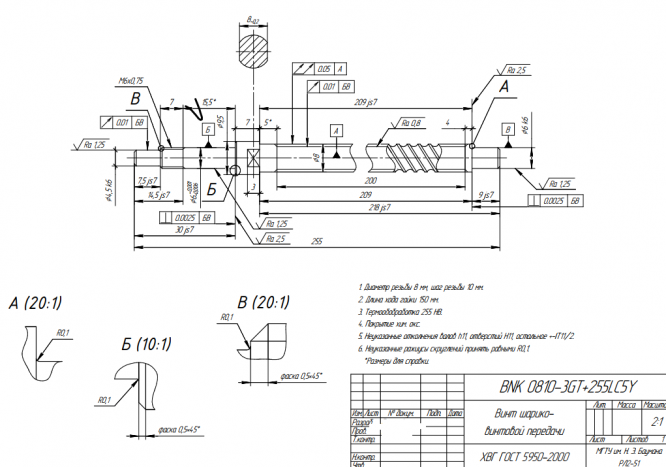
Чертеж винта ШВП РЛ2-51.pdf
Чертеж пружины РЛ2-51.pdf




Характеристики курсовой работы
Учебное заведение
Семестр
Просмотров
26
Размер
2,02 Mb
Список файлов
5b78f7c9-9fd0-d298-ad18-6ff736b2d49a.pdf
17a76592-956d-31b4-a34f-0c789b603f0f.pdf
49f3e9c7-6ad4-f95d-0038-45738f8357d5.pdf
90a9210c-6552-b776-61c8-e9fc2a2fa5d0.pdf
205a173e-6151-5e77-db5a-72b799c17082.pdf
7056bb1b-c47f-56e5-2141-0691a512eab4.pdf
9570f2bf-cb78-6543-6871-6b720280687d.pdf
a512a49b-1289-2d26-b517-de60d347f76c.pdf
d811b93b-24ff-eb76-3f16-48afd9b31fc7.pdf