Для студентов ИДДО НИУ «МЭИ» по предмету Компьютерные сетиОпределить интенсивности потоков λ1 и λ2 с точностью є = 6% для следующей системыОпределить интенсивности потоков λ1 и λ2 с точностью є = 6% для следующей системы
4,945166
2025-04-122025-04-12СтудИзба
Определить интенсивности потоков λ1 и λ2 с точностью є = 6% для следующей системы
Задача КМ-4: Определить интенсивности потоков λ1 и λ2 с точностью є = 6% для следующей системы
Описание
Задание сдано на оценку 5.
Условие :
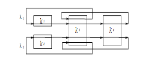
Определить интенсивности потоков с точностью є = 6% для следующей системы:
Показать/скрыть дополнительное описание
Условие :
Определить интенсивности потоков с точностью є = 6% для следующей системы:


Определить интенсивности потоков λ1 и λ2 с точностью є = 6% для следующей системы.
Характеристики решённой задачи
Предмет
Учебное заведение
Номер задания
Программы
Просмотров
1
Качество
Идеальное компьютерное
Размер
304,58 Kb
Список файлов
Компьютерные сети КМ-4.docx
Алёна Руденко