Лабораторная работа: Autodesk Inventor. Лабораторные работы. Детали. (Базовый курс) вариант 12
Описание
Характеристики лабораторной работы
Предмет
Учебное заведение
Вариант
Просмотров
22
Качество
Идеальное компьютерное
Размер
4,9 Mb
Список файлов
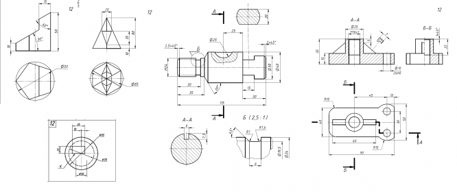
12 вариант
OldVersions
Вал.0005.ipt
Вал.0012.dwg
Основание.0006.ipt
Основание.0010.dwg
Пирамида.0003.dwg
Призма.0003.dwg
Шар.0005.dwg
Детали
Вал.ipt
Основание.ipt
Пирамида.ipt
Призма.ipt
Шар.ipt
Файлы чертежей
Вал.dwg
Основание.dwg
Пирамида.dwg
Призма.dwg
Шар.dwg
Чертежи
Вал.pdf
Основание.pdf
Пирамида.pdf
Призма.pdf
Шар.pdf
1.tmp
OpelBlitz
Комментарии
Нет комментариев
Стань первым, кто что-нибудь напишет!
МГТУ им. Н.Э.Баумана
OpelBlitz
















