Для студентов МГТУ им. Н.Э.Баумана по предмету Компьютерная графикаAutodesk Inventor. Лабораторные работы. Детали. (Базовый курс)Autodesk Inventor. Лабораторные работы. Детали. (Базовый курс)
5,0051
2021-07-262021-07-26СтудИзба
Лабораторная работа: Autodesk Inventor. Лабораторные работы. Детали. (Базовый курс) вариант 15
Описание
Условия взяты с сайта кафедры РК1 (для кафедры ИУ6)
Призма, пирамида, шар, основание, вал (ПРИНЯТЫЕ без замечаний)





Характеристики лабораторной работы
Предмет
Учебное заведение
Вариант
Просмотров
37
Размер
2,31 Mb
Список файлов
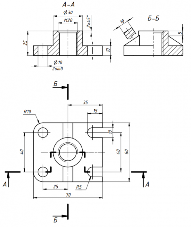
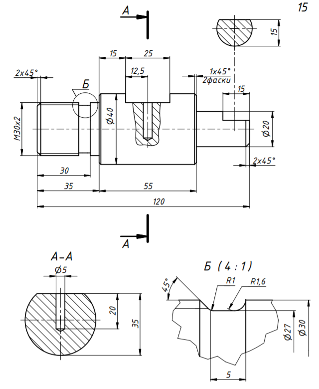
zВал_ДЗ_15.ipt
zВал_ДЗ_15_чертеж.idw
zОснование_ДЗ_15.ipt
zОснование_ДЗ_15_чертеж.idw
zПирамида_ДЗ_15.ipt
zПирамида_ДЗ_15_чертеж.dwg
zПризма_ДЗ_15.ipt
zПризма_ДЗ_15_чертеж.idw
zШар_ДЗ_15.ipt
zШар_ДЗ_15_чертеж.idw