Для студентов МГТУ им. Н.Э.Баумана по предмету Компьютерная графикаAutodesk Inventor. Лабораторные работы. Детали. (Базовый курс)Autodesk Inventor. Лабораторные работы. Детали. (Базовый курс)
4,9451643
2021-05-272021-05-27СтудИзба
Лабораторная работа: Autodesk Inventor. Лабораторные работы. Детали. (Базовый курс) вариант 1
Описание
В файле все 3D-модели и чертежи( к каждой детали идет модель и чертеж ) по Лабораторным работам для 1 варианта. Выполнены в инвенторе 21 года!!!. Зачтены преподавателем. Условие ниже
![]()

Характеристики лабораторной работы
Предмет
Учебное заведение
Вариант
Просмотров
26
Размер
2,85 Mb
Список файлов
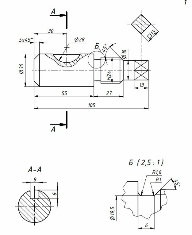
Вал
lockfile.lck
Вал1.idw
Вал2.jpg
Вал3.ipt
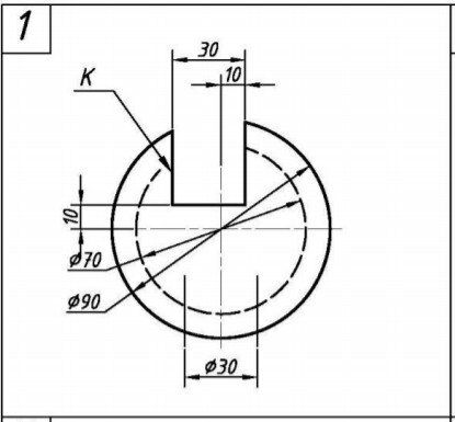
Основание
Основание1.idw
Основание2.ipt
Основание3.jpg
Пирамида
Пирамида1.ipt
Пирамида12.jpg
Пирамида13.idw
Призма
Призма1.jpg
Призма2.ipt
Призма3.idw
Шар
Шар 1.idw
Шар2.jpg
Шар3.ipt
Комментарии
Нет комментариев
Стань первым, кто что-нибудь напишет!
МГТУ им. Н.Э.Баумана

















