Для студентов МГТУ им. Н.Э.Баумана по предмету Компьютерная графикаAutodesk Inventor. Лабораторные работы. Детали. (Базовый курс)Autodesk Inventor. Лабораторные работы. Детали. (Базовый курс)
5,0051
2021-02-192024-09-03СтудИзба
Лабораторная работа: Autodesk Inventor. Лабораторные работы. Детали. (Базовый курс) вариант 23
Описание
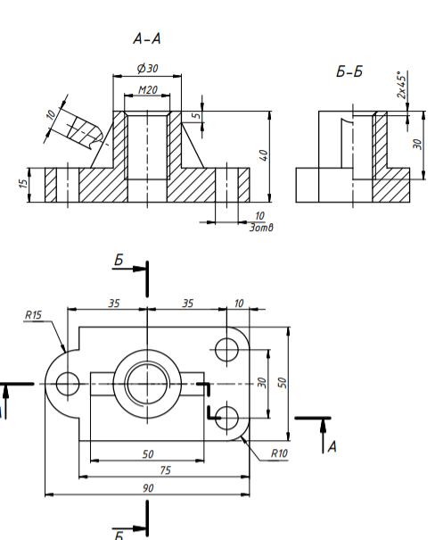
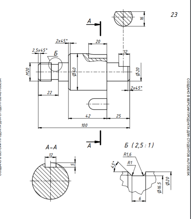
Чертежи и 3D-модели
![]()





Характеристики лабораторной работы
Предмет
Учебное заведение
Вариант
Программы
Просмотров
86
Качество
Идеальное компьютерное
Размер
3,86 Mb
Список файлов
Вариант 23 - Лабораторные работы
Detal1.dwg
Detal1.ipt
Detal2.dwg
Detal2.ipt
Detal3.dwg
Detal3.ipt
Detal4.dwg
Detal4.ipt
Detal5.dwg
Detal5.ipt
Osnovanie_draw.dwg
Prizm.ipt
detail-1.ipt
osnovanie (1).ipt
osnovanie.ipt
piramida.ipt
piramida_draw.idw
piramiwa-with-otv.ipt
val.ipt

Вам все понравилось? Получите кэшбэк - 40 рублей на Ваш счёт при покупке. Поставьте оценку и напишите положительный комментарий к купленному файлу. После Вы получите деньги на ваш счет.