Для студентов МГТУ им. Н.Э.Баумана по предмету Компьютерная графикаAutodesk Inventor. Лабораторные работы. Детали. (Базовый курс)Autodesk Inventor. Лабораторные работы. Детали. (Базовый курс)
5,0052
2020-12-122020-12-12СтудИзба
Лабораторная работа: Autodesk Inventor. Лабораторные работы. Детали. (Базовый курс) вариант 14
Описание
в данном файле содержится 5 лабораторных работ в Inventor Э7. Вставляю сами инвенторовские файлы, чтобы вы сами смогли их редактировать. Принимал у меня хуснетдинов, поэтому ошибок быть не должно
Характеристики лабораторной работы
Предмет
Учебное заведение
Вариант
Просмотров
119
Размер
2,11 Mb
Список файлов
Лабораторные работы
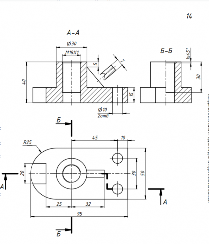
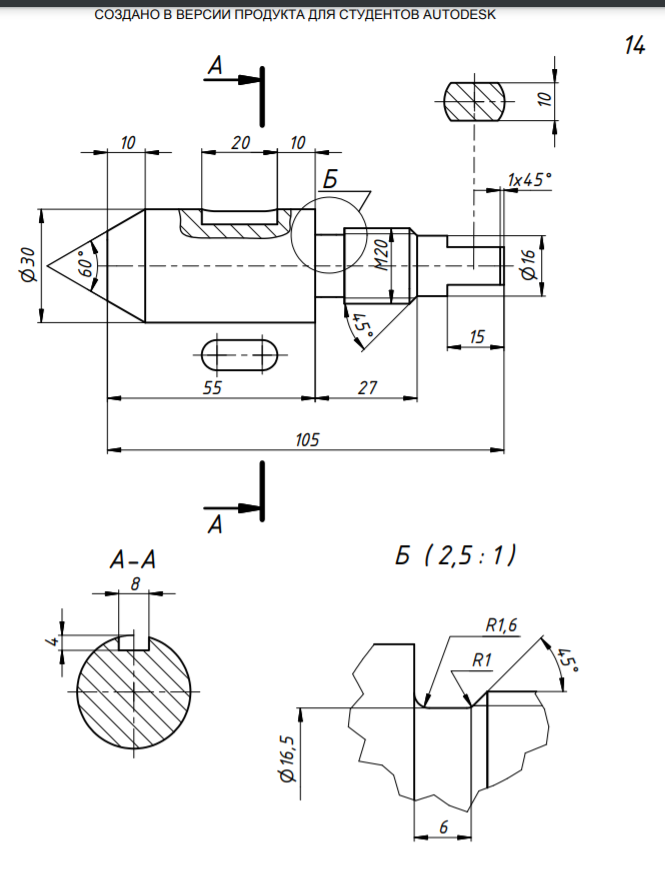
Вал.idw
Вал.ipt
Основание.idw
Основание.ipt
Пирамида.idw
Пирамида.ipt
Призма.idw
Призма.ipt
Шар.idw
Шар.ipt
МГТУ им. Н.Э.Баумана


















