Для студентов МГТУ им. Н.Э.Баумана по предмету Сопротивление материаловСтатически определимые балкиСтатически определимые балки
5,0054
2021-02-132021-02-13СтудИзба
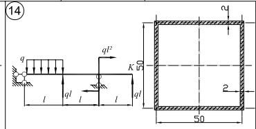
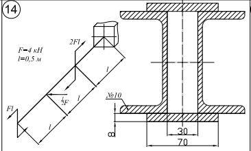
ДЗ 3: Статически определимые балки вариант 14
Описание


Характеристики домашнего задания
Предмет
Учебное заведение
Семестр
Номер задания
Вариант
Теги
Просмотров
67
Размер
3,15 Mb
Список файлов
Дз Изгиб.pdf