Для студентов МГТУ им. Н.Э.Баумана по предмету Компьютерная графикаAutodesk Inventor. Лабораторные работы. Детали. (Базовый курс)Autodesk Inventor. Лабораторные работы. Детали. (Базовый курс)
5,00511
2020-12-032021-07-05СтудИзба
Лабораторная работа: Autodesk Inventor. Лабораторные работы. Детали. (Базовый курс) вариант 19
Описание
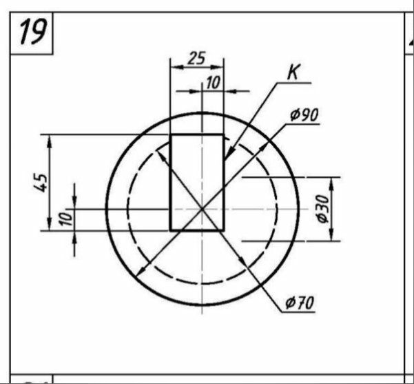
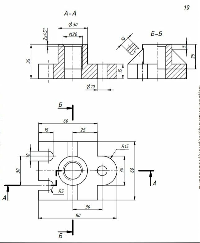
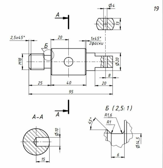
Зачтенные 5 чертежей в Inventor 2021, а также 3D модели к ним. Бонусом имеются все 6 3D моделей аудиторных лабораторных работ.
![]()





Характеристики лабораторной работы
Предмет
Учебное заведение
Вариант
Просмотров
48
Размер
3,21 Mb
Список файлов
1
МОДЕЛИ
(1) Призма.ipt
(2) Пирамида.ipt
(3) Шар.ipt
(4) Основание.ipt
(5) Вал.ipt
ЧЕРТЕЖИ
ПДФ
(1) Призма.pdf
(2) Пирамида.pdf
(3) Шар.pdf
(4) Основание.pdf
(5) Вал.pdf
Чертежи
(1) Призма.dwg
(2) Пирамида.dwg
(3) Шар.dwg
(4) Основание.dwg
(5) Вал.dwg
lockfile.lck
2
Лаба 1 (Плоский контур).ipt
Лаба 2 (Призма).ipt
Лаба 3 (Пирамида).ipt
Лаба 4 (Шар).ipt
Лаба 5 (Основание).ipt
Лаба 6 (Вал).ipt
0. Текст от автора.txt
Комментарии

Связаться с тобой по-другому нельзя, поэтому оставлю здесь комментарий. Курсач по ТММ я добавил все необходимое, посмотри комментарии. И оценочку исправь пожалуйста