Для студентов МГТУ им. Н.Э.Баумана по предмету Компьютерная графикаAutodesk Inventor. Лабораторные работы. Детали. (Базовый курс)Autodesk Inventor. Лабораторные работы. Детали. (Базовый курс)
5,00514
2019-09-012019-09-01СтудИзба
Лабораторная работа: Autodesk Inventor. Лабораторные работы. Детали. (Базовый курс) вариант 9
Описание
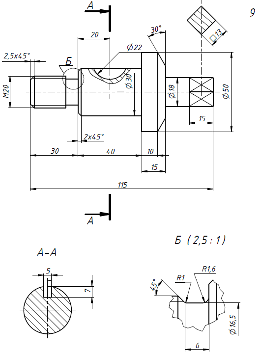
- Вал

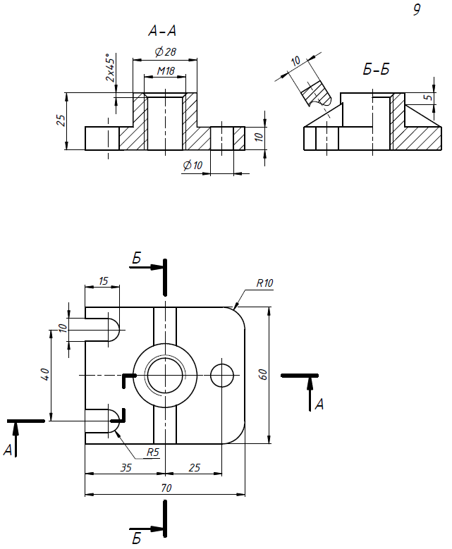
- Основание

- Пирамида

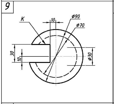
- Призма

- Шар
-
Характеристики лабораторной работы
Предмет
Учебное заведение
Вариант
Просмотров
417
Качество
Идеальное компьютерное
Размер
1,57 Mb
Список файлов
вариант9
09Osnovanie.idw
09Prizma.idw
09shar.idw
osnovanie9 (1).ipt
osnovanie9.ipt
piramida9.ipt
prizma9.ipt
shar9.ipt
val9.ipt

Вам все понравилось? Получите кэшбэк - 40 рублей на Ваш счёт при покупке. Поставьте оценку и напишите положительный комментарий к купленному файлу. После Вы получите деньги на ваш счет.