Для студентов НГТУ по предмету Электропитание устройств и систем телекоммуникаций (ЭУиСТ)Управляемые выпрямителиУправляемые выпрямители
2022-10-052022-10-05СтудИзба
Лекции: Управляемые выпрямители
Описание
Управляемые выпрямители
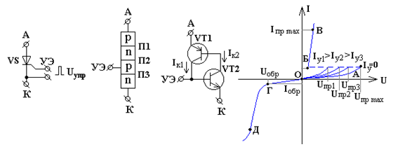
Элемент управляемых выпрямителей – тиристор
В источниках питания тиристор используется для регулирования (стабилизации) напряжения в управляемых выпрямителях и стабилизаторах напряжения в цепи переменного тока. Изменение фазы подачи управляющего импульса на тиристор по отношению к точке “естественной” коммутации (коммутация в неуправляемых выпрямителях) изменяется уровень напряжения в нагрузке. Кроме того, тиристор нашел широкое распространение в защитных устройствах.Тиристор имеет четырехслойную структуру с тремя p –n переходами. Его быстрое включение при подаче импульса управления (по отношению к катоду или аноду) обеспечивается внутренней, положительной обратной связью по току. При поступлении UУПР на базу VT2 увеличивается коллекторный ток IК2 ,
что приводит к возрастанию тока базы транзистора VT1 и увеличению его коллекторного тока IК1, происходит лавинное открывание тиристора.

Характеристики лекций
Тип
Учебное заведение
Семестр
Просмотров
3
Качество
Идеальное компьютерное
Размер
5,96 Mb
Список файлов

Вам все понравилось? Получите кэшбэк - 40 рублей на Ваш счёт при покупке. Поставьте оценку и напишите положительный комментарий к купленному файлу. После Вы получите деньги на ваш счет.