Для студентов АмГУ по предмету Электромагнитные переходные процессы в электрических системахРасчет симметричного трехфазного и несимметричного короткого замыканияРасчет симметричного трехфазного и несимметричного короткого замыкания
5,0053986
2025-10-26СтудИзба

Курсовая работа: Расчет симметричного трехфазного и несимметричного короткого замыкания

Описание

Таблица 1.1 – Характеристики линий электропередачи
ВариантДлина линии (км)Удельные параметры (Ом/км)
Л1Л2Л3Л4XудRуд
4160200260300,360,07

Состояние нейтралей трансформаторов приведено в таблице 1.2.
Таблица 1.2 – Состояние нейтрали трансформаторов (* - нейтраль заземлена)
ВариантР1Р2Р3Р4Р5
1*****

В таблицах ниже приведены технические данные элементов электрической системы.
Таблица 1.3 – Технические данные станции 1
ВариантТурбогенераторыТрансформаторыРеакторы
Pн,
МВт
cosφнXdXd’’X2Xd’’/RSн,
МВА
UВН,
кВ
UК,
%
X/RUном,
кВ
Xр,
Ом
Xр/R
41200,852,650,2140,261001251211130100,3550

Таблица 1.4 – Технические данные станции 2
ВариантТурбогенераторыТрансформаторы
hPн,
МВт
cosφнXdXd’’X2Xd’’/RSн,
МВА
UВН,
кВ
UК,
%
X/R
422000,851,980,190,23212020012110,530

Таблица 1.5 – Технические данные станции 3
ВариантТурбогенераторыТрансформаторы
hPн,
МВт
cosφнXdXd’’X2Xd’’/RSн,
МВА
UВН,
кВ
UК,
%
X/R
45720,80,850,240,2640801211120
Таблица 1.6 – Параметры автотрансформатора, системы и нагрузок
ВарАвтотрансформаторСистема
Sc, МВА
Нагрузка
Sн,
МВА
Uвн,
кВ
Uсн,
кВ
Uквн,
%
Uксн,
%
Uквс,
%
X/RН1Н2Н3
Sн1,
МВА
Sн2,
МВА
Sн3,
МВА
4250230121322011302300200200400



СОДЕРЖАНИЕ
ВВЕДЕНИЕ...................................................................................................... 3
ИСХОДНЫЕ ДАННЫЕ................................................................................... 4
1 РАСЧЕТ СИММЕТРИЧНОГО ТРЕХФАЗНОГО КЗ.................................... 7
1.1 Составление схемы замещения............................................................... 7
1.2 Определение параметров элементов схемы замещения............................. 7
1.3.Действующее значение периодической составляющей тока к.з. в сверхпереходном и установившемся режимах при трехфазном к.з. в заданной точке.................. 11
1.4 Ударный ток короткого замыкания.......................................................... 22
1.5 Действующее значение полного тока короткого замыкания за первый период его изменения....................................................................................................... 23
1.6 Мощность в начальный момент короткого замыкания............................ 24
1.7 Начальное значение тока при двухфазном коротком замыкании............. 24
1.8.Действующее значение периодической составляющей тока. в заданный момент времени при трехфазном к.з........................................................................... 24
2 РАСЧЕТ НЕСИММЕТРИЧНОГО КОРОТКОГО ЗАМЫКАНИЯ.............. 25
2.1 Составление схем замещения отдельных последовательностей.............. 25
2.2 Определение параметров элементов схема замещения............................ 26
2.3 Нахождение тока прямой последовательности при двухфазном к.з. в заданной точке........................................................................................................................ 27
2.4 Определение полного тока несимметричного короткого замыкания....... 27
2.5 Определение напряжения отдельных последовательностей в месте к.з. и в заданной точке при несимметричном к.з....................................................................... 28
2.6 Векторные диаграммы токов и напряжений в месте короткого замыкания 29
ЗАКЛЮЧЕНИЕ.............................................................................................. 31
СПИСОК ИСПОЛЬЗОВАННЫХ ИСТОЧНИКОВ........................................ 32

Характеристики курсовой работы

Учебное заведение
Просмотров
2
Качество
Идеальное компьютерное
Размер
1,35 Mb

Список файлов

Дементьев342-об3 Графическая часть.pdf
КП Дементьев 342-об3.doc
Картинка-подпись
Если нужен другой вариант работы или отдельная задача из любой работы, пишите в комментарии

Комментарии

Нет комментариев
Стань первым, кто что-нибудь напишет!
Поделитесь ссылкой:
Цена: 1 000 руб.
Расширенная гарантия +3 недели гарантии, +10% цены
Рейтинг автора
5 из 5
Поделитесь ссылкой:
Сопутствующие материалы
Расчет симметричного трехфазного и несимметричного короткого замыкания
Расчёт тока трёхфазного короткого замыкания в указанной точке аналитическим методом в относительных величинах
Расчёт токов трёхфазного короткого замыкания
Проверяемые задания
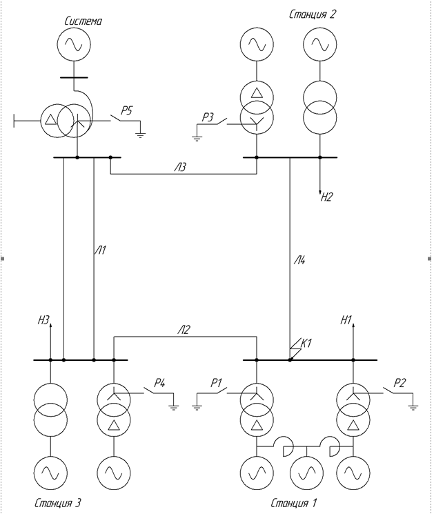
При трехфазном коротком замыкании в точке К1 заданной схемы вычислить величины
расчет трехфазного и несимметричных режимов (короткого замыкания и разрыва фазы) в сложной электрической системе

Подобрали для Вас услуги

-17%
-25%
Вы можете использовать курсовую работу для примера, а также можете ссылаться на неё в своей работе. Авторство принадлежит автору работы, поэтому запрещено копировать текст из этой работы для любой публикации, в том числе в свою курсовую работу в учебном заведении, без правильно оформленной ссылки. Читайте как правильно публиковать ссылки в своей работе.
Свежие статьи
Популярно сейчас
А знаете ли Вы, что из года в год задания практически не меняются? Математика, преподаваемая в учебных заведениях, никак не менялась минимум 30 лет. Найдите нужный учебный материал на СтудИзбе!
Ответы на популярные вопросы
Да! Наши авторы собирают и выкладывают те работы, которые сдаются в Вашем учебном заведении ежегодно и уже проверены преподавателями.
Да! У нас любой человек может выложить любую учебную работу и зарабатывать на её продажах! Но каждый учебный материал публикуется только после тщательной проверки администрацией.
Вернём деньги! А если быть более точными, то автору даётся немного времени на исправление, а если не исправит или выйдет время, то вернём деньги в полном объёме!
Да! На равне с готовыми студенческими работами у нас продаются услуги. Цены на услуги видны сразу, то есть Вам нужно только указать параметры и сразу можно оплачивать.
Отзывы студентов
Ставлю 10/10
Все нравится, очень удобный сайт, помогает в учебе. Кроме этого, можно заработать самому, выставляя готовые учебные материалы на продажу здесь. Рейтинги и отзывы на преподавателей очень помогают сориентироваться в начале нового семестра. Спасибо за такую функцию. Ставлю максимальную оценку.
Лучшая платформа для успешной сдачи сессии
Познакомился со СтудИзбой благодаря своему другу, очень нравится интерфейс, количество доступных файлов, цена, в общем, все прекрасно. Даже сам продаю какие-то свои работы.
Студизба ван лав ❤
Очень офигенный сайт для студентов. Много полезных учебных материалов. Пользуюсь студизбой с октября 2021 года. Серьёзных нареканий нет. Хотелось бы, что бы ввели подписочную модель и сделали материалы дешевле 300 рублей в рамках подписки бесплатными.
Отличный сайт
Лично меня всё устраивает - и покупка, и продажа; и цены, и возможность предпросмотра куска файла, и обилие бесплатных файлов (в подборках по авторам, читай, ВУЗам и факультетам). Есть определённые баги, но всё решаемо, да и администраторы реагируют в течение суток.
Маленький отзыв о большом помощнике!
Студизба спасает в те моменты, когда сроки горят, а работ накопилось достаточно. Довольно удобный сайт с простой навигацией и огромным количеством материалов.
Студ. Изба как крупнейший сборник работ для студентов
Тут дофига бывает всего полезного. Печально, что бывают предметы по которым даже одного бесплатного решения нет, но это скорее вопрос к студентам. В остальном всё здорово.
Спасательный островок
Если уже не успеваешь разобраться или застрял на каком-то задание поможет тебе быстро и недорого решить твою проблему.
Всё и так отлично
Всё очень удобно. Особенно круто, что есть система бонусов и можно выводить остатки денег. Очень много качественных бесплатных файлов.
Отзыв о системе "Студизба"
Отличная платформа для распространения работ, востребованных студентами. Хорошо налаженная и качественная работа сайта, огромная база заданий и аудитория.
Отличный помощник
Отличный сайт с кучей полезных файлов, позволяющий найти много методичек / учебников / отзывов о вузах и преподователях.
Отлично помогает студентам в любой момент для решения трудных и незамедлительных задач
Хотелось бы больше конкретной информации о преподавателях. А так в принципе хороший сайт, всегда им пользуюсь и ни разу не было желания прекратить. Хороший сайт для помощи студентам, удобный и приятный интерфейс. Из недостатков можно выделить только отсутствия небольшого количества файлов.
Спасибо за шикарный сайт
Великолепный сайт на котором студент за не большие деньги может найти помощь с дз, проектами курсовыми, лабораторными, а также узнать отзывы на преподавателей и бесплатно скачать пособия.
Популярные преподаватели
Добавляйте материалы
и зарабатывайте!
Продажи идут автоматически
6971
Авторов
на СтудИзбе
263
Средний доход
с одного платного файла
Обучение Подробнее
{user_main_secret_data}