Главная » Учебные материалы » Электрическая часть станций и подстанций » Курсовые работы » Несколько классов/семестров » Разработка электрической части электростанции ГРЭС мощностью 660 МВт
Для студентов по предмету Электрическая часть станций и подстанцийРазработка электрической части электростанции ГРЭС мощностью 660 МВтРазработка электрической части электростанции ГРЭС мощностью 660 МВт
5,0053877
2025-12-08СтудИзба

Курсовая работа: Разработка электрической части электростанции ГРЭС мощностью 660 МВт

Описание

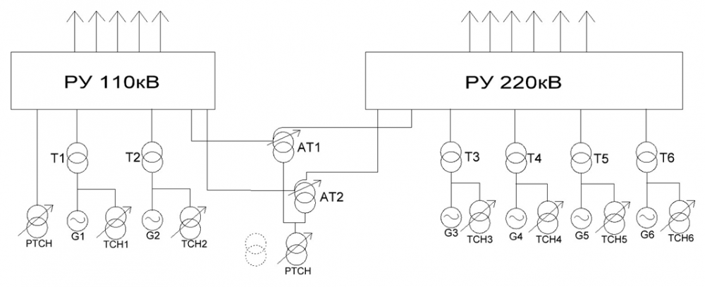
В данном курсовом проекте спроектирована электрическая станция конденсационного типа, предназначенная для выдачи мощности в энергосистему 220 кВ и обеспечение электроэнергией промышленных потребителей на 110 кВ. Данная станция расположена на Урале. В качестве основного топлива используется газ. Установленная мощность электростанции 660 МВт.
Распределительное устройство (РУ) на напряжение 110 кВ и 220 кВ будут открытые распределительные устройства (ОРУ). Связь между РУ осуществляется с помощью двух автотрансформаторов. От РУ 110 кВ отходит 5 воздушных линий, к нему присоединено два блока. От РУ 220 кВ отходит 6 воздушных линий, длиной 100 км и присоединено 4 блока.
Имеются 4 трансформатора собственных нужд, а также один резервный трансформатор собственных нужд, который присоединен к РУ 110 кВ.
СОДЕРЖАНИЕ

ВВЕдение 3
1 ВЫБОР СТРУКТУРНОЙ СХЕМЫ ПРОЕКТИРУЕМОЙ ГРЭС 5
2 ВЫБОР ГЕНЕРАТОРОВ НА ГРЭС 6
3 ВЫБОР ОСНОВНЫХ ТРАНСФОРМАТОРОВ НА ГРЭС
3.1 Выбор блочных трансформаторов
3.2 Выбор автотрансформаторов связи
7
7
8
4 ВЫБОР ЭЛЕКТРИЧЕСКИХ ПРИНЦИПИАЛЬНЫХ СХЕМ11
5 ВЫБОР ТРАНСФОРМАТОРОВ СОБСТВЕННЫХ НУЖД
5.1 Выбор трансформаторов собственных нужд
5.2 Выбор схемы собственных нужд
14
14
15
6 РАСЧЕТ ТОКОВ КОРОТКОГО ЗАМЫКАНИЯ
7 ВЫБОР КОММУТАЦИОННЫХ АППАРАТОВ
17
27
7.1 Определение расчётных токов по продолжительным режимам
7.2 Выбор выключателей в цепи распределительного устройства 110 кВ
7.3 Выбор разъединителей в цепи распределительного устройства 110 кВ
27
27
29
8 ВЫБОР ТОКОВЕДУЩИХ ЧАСТЕЙ И ИЗОЛЯТОРОВ
8.1 Выбор гибких шин 110 кВ
8.2 Выбор подвесных изоляторов
9 ВЫБОР ИЗМЕРИТЕЛЬНЫХ ТРАНСФОРМАТОРОВ
9.1 Выбор трансформаторов тока в цепи линий электропередач 110 кВ
9.2 Выбор трансформаторов напряжения в цепи сборной шины 110 кВ
30
30
32
34
34
39
Заключение
СПИСОК ЛИТЕРАТУРЫ
42
43

Характеристики курсовой работы

Просмотров
1
Качество
Идеальное компьютерное
Размер
1,09 Mb

Список файлов

kursovoy-proekt-110-220-kv1-1.docx
Картинка-подпись
Если нужен другой вариант работы или отдельная задача из любой работы, пишите в комментарии

Комментарии

Нет комментариев
Стань первым, кто что-нибудь напишет!
Поделитесь ссылкой:
Цена: 800 руб.
Расширенная гарантия +3 недели гарантии, +10% цены
Рейтинг автора
5 из 5
Поделитесь ссылкой:
Сопутствующие материалы

Подобрали для Вас услуги

Вы можете использовать курсовую работу для примера, а также можете ссылаться на неё в своей работе. Авторство принадлежит автору работы, поэтому запрещено копировать текст из этой работы для любой публикации, в том числе в свою курсовую работу в учебном заведении, без правильно оформленной ссылки. Читайте как правильно публиковать ссылки в своей работе.
Свежие статьи
Популярно сейчас
Почему делать на заказ в разы дороже, чем купить готовую учебную работу на СтудИзбе? Наши учебные работы продаются каждый год, тогда как большинство заказов выполняются с нуля. Найдите подходящий учебный материал на СтудИзбе!
Ответы на популярные вопросы
Да! Наши авторы собирают и выкладывают те работы, которые сдаются в Вашем учебном заведении ежегодно и уже проверены преподавателями.
Да! У нас любой человек может выложить любую учебную работу и зарабатывать на её продажах! Но каждый учебный материал публикуется только после тщательной проверки администрацией.
Вернём деньги! А если быть более точными, то автору даётся немного времени на исправление, а если не исправит или выйдет время, то вернём деньги в полном объёме!
Да! На равне с готовыми студенческими работами у нас продаются услуги. Цены на услуги видны сразу, то есть Вам нужно только указать параметры и сразу можно оплачивать.
Отзывы студентов
Ставлю 10/10
Все нравится, очень удобный сайт, помогает в учебе. Кроме этого, можно заработать самому, выставляя готовые учебные материалы на продажу здесь. Рейтинги и отзывы на преподавателей очень помогают сориентироваться в начале нового семестра. Спасибо за такую функцию. Ставлю максимальную оценку.
Лучшая платформа для успешной сдачи сессии
Познакомился со СтудИзбой благодаря своему другу, очень нравится интерфейс, количество доступных файлов, цена, в общем, все прекрасно. Даже сам продаю какие-то свои работы.
Студизба ван лав ❤
Очень офигенный сайт для студентов. Много полезных учебных материалов. Пользуюсь студизбой с октября 2021 года. Серьёзных нареканий нет. Хотелось бы, что бы ввели подписочную модель и сделали материалы дешевле 300 рублей в рамках подписки бесплатными.
Отличный сайт
Лично меня всё устраивает - и покупка, и продажа; и цены, и возможность предпросмотра куска файла, и обилие бесплатных файлов (в подборках по авторам, читай, ВУЗам и факультетам). Есть определённые баги, но всё решаемо, да и администраторы реагируют в течение суток.
Маленький отзыв о большом помощнике!
Студизба спасает в те моменты, когда сроки горят, а работ накопилось достаточно. Довольно удобный сайт с простой навигацией и огромным количеством материалов.
Студ. Изба как крупнейший сборник работ для студентов
Тут дофига бывает всего полезного. Печально, что бывают предметы по которым даже одного бесплатного решения нет, но это скорее вопрос к студентам. В остальном всё здорово.
Спасательный островок
Если уже не успеваешь разобраться или застрял на каком-то задание поможет тебе быстро и недорого решить твою проблему.
Всё и так отлично
Всё очень удобно. Особенно круто, что есть система бонусов и можно выводить остатки денег. Очень много качественных бесплатных файлов.
Отзыв о системе "Студизба"
Отличная платформа для распространения работ, востребованных студентами. Хорошо налаженная и качественная работа сайта, огромная база заданий и аудитория.
Отличный помощник
Отличный сайт с кучей полезных файлов, позволяющий найти много методичек / учебников / отзывов о вузах и преподователях.
Отлично помогает студентам в любой момент для решения трудных и незамедлительных задач
Хотелось бы больше конкретной информации о преподавателях. А так в принципе хороший сайт, всегда им пользуюсь и ни разу не было желания прекратить. Хороший сайт для помощи студентам, удобный и приятный интерфейс. Из недостатков можно выделить только отсутствия небольшого количества файлов.
Спасибо за шикарный сайт
Великолепный сайт на котором студент за не большие деньги может найти помощь с дз, проектами курсовыми, лабораторными, а также узнать отзывы на преподавателей и бесплатно скачать пособия.
Популярные преподаватели
Добавляйте материалы
и зарабатывайте!
Продажи идут автоматически
6934
Авторов
на СтудИзбе
266
Средний доход
с одного платного файла
Обучение Подробнее
{user_main_secret_data}