Для студентов НИУ «МЭИ» по предмету Электрическая часть станций и подстанцийЭлектрическая часть подстанции 220/110/6Электрическая часть подстанции 220/110/6
5,0051
2023-07-072023-07-07СтудИзба
Курсовая работа: Электрическая часть подстанции 220/110/6
Описание
Электрическая часть подстанции 220/110/6
Оглавление
- 1. Исходные данные проектируемой электростанции (подстанции) и энергосистемы 3
- 2 Выбор числа, типа и мощности трансформаторов 5
- 2.1 Общие сведения 5
- 2.2 Расчет графиков мощности обмотки ВН 6
- 2.3 Выбор трансформаторов 9
- 3 Выбор схем распределительных устройств всех напряжений 12
- 3.1 Общие сведения по разработке схем РУ 12
- 3.2 Основные требования к главным схемам электрических соединений 12
- 3.3 Выбор схемы распределительного устройства высшего напряжения (РУ ВН) 13
- 3.4 Выбор схем распределительного устройства среднего напряжения (РУ СН) 15
- 3.5 Выбор схемы распределительного устройства низшего напряжения (РУ НН) 16
- 4 Выбор схемы питания собственных нужд 16
- 5 Расчёт токов КЗ 18
- 6 Выбор кабельных линий 6 кВ 19
- 6.1 Общие положения 19
- 6.2 Выбор сечения кабельных линий, питающих РП «А» 20
- 7 Проверка выбранных сечений на термическую стойкость токам КЗ 22
- 7.1 Проверка сечений питающих кабелей 22
- 7.1.1 Проверка кабелей, питающих РП «А» 22
- 7.2 Проверка сечений кабелей, отходящих от РП 23
- 7.2.1 Проверка кабеля, отходящего от РП «А» 23
- 8 Выбор коммутационной аппаратуры 25
- 9 Выбор ограничителей напряжений и предохранителей 26
- 9.1 Выбор ОПН 26
- 9.2 Выбор плавких предохранителей в цепи ТСН 26
- 10 Выбор измерительных трансформаторов тока и напряжения 27
- 10.1Выбор измерительных трансформаторов тока 27
- 10.2 Выбор измерительных трансформаторов напряжения 27
- 10.2.1 Условия выбора измерительных трансформаторов напряжения 27
- 10.2.2Выбор измерительных трансформаторов напряжения 27
- 11 Список литературы 28
- ПРИЛОЖЕНИЕ А Расчет токов короткого замыкания 29
- ПРИЛОЖЕНИЕ Б Выбор коммутационной аппаратуры 37
- ПРИЛОЖЕНИЕ В Выбор измерительных трансформаторов тока 43
1. Исходные данные проектируемой электростанции (подстанции) и энергосистемы
1.1. Электростанция (подстанция) ТI[1] ПС 220/110/61.2. Генераторы или синхронные компенсаторы (СК)
Параметры генераторов | Параметры СК | ||||||||||||
Тип | Рном, МВт | Uном, кВ | cosφном | X"d, о.е. | Rст, Ом | Кол- во | Тип | Sном, МВА | Uном, кВ | cosφном | X"d, о.е. | Rст, Ом | Кол- во |
Т2 | Т3 | Т4 |
1.3. Параметры технологической части и собственных нужд
Котлы | Реакторы | |||
Кол-во, шт. | Топливо | Тип | Мощность, МВт и число генераторов на реактор | |
Т5 | Т6 |
Собственные нужды | ||||
Рmax, кВт | Рmax/Руст, % | Uном | cosφном | |
кВ | В | |||
400 | 6 | 380/220 | 0,83 | |
Т7 | Т8 | Т9 |
1.4. Параметры воздушной сети высшего напряжения (ВН)
Uном, кВ | Параметры систем | Длина воздушных линий, км | ||||||||
С1 | С2 | |||||||||
Sном, МВ*А | Хс, о.е. | Рав.р, ТЭЦ МВт | Sном, МВ*А | Xc, о.е. | Рав.р, МВт | l1 | l2 | l3 | l4 | |
220 | 2500 | 1 | 130 | 3000 | 1,2 | 150 | 85 | 110 | 130 | |
Т10 | Т11 | Т12 |
1.5. Параметры воздушной сети среднего напряжения (СН)
Uном, кВ | Рнг.max, МВт | cosφном | Потребители ,% по категориям | Длина воздушных линий, км | |||||
1 | 2 | 3 | l1 | l2 | l3 | l4 | |||
110 | 90 | 0,83 | 20 | 50 | 50 | 50 | 80 | 80 | |
Т13 | Т14 | Т15 |
1.6. Параметры кабельной сети низшего напряжения (НН)
Uном, кВ | Рнг.max, МВт | cosφном | Потребители, % по категориям | Параметры распределительных пунктов (РП) | Суммарная протяженность кабельной сети, км | ||||
1 | 2 | 3 | Тип РП | Рнг.max, МВт | Кол-во, шт | ||||
6 | 60 | 0,83 | 50 | 30 | 30 | а | 5.5 | 12 | 100 |
Т16 | Т17 |
Наименьшая длина кабеля отходящего от шин РУ НН до РП l, км | Время действия релейной защиты на шинах tзащ, с | Минимальное сечение кабеля отходящего от РП Sмин, мм2 | Тип выключателя, установленного на РП | |
ЭС (ПС) | РП | |||
2,5 | 1 | 0,5 | 70 | ВВЭ-10 |
Т18 |
1.7. Суточные графики нагрузки
Число дней в году | ||
Зимних | летних | паводка |
210 | 155 | |
Т19 |

Графики нагрузки генераторов (синхронных компенсаторов для ПС с СК). Т20


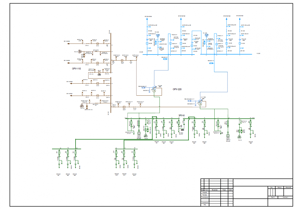
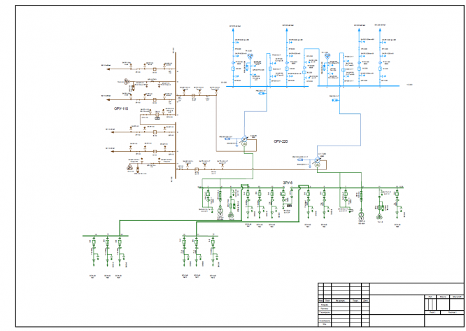
Чертеж (только PDF) ![]()
Характеристики курсовой работы
Учебное заведение
Программы
Просмотров
17
Качество
Идеальное компьютерное
Размер
784,68 Kb
Список файлов
Курсовой проект.docx
Принципиальная схема.pdf

Вам все понравилось? Получите кэшбэк - 40 рублей на Ваш счёт при покупке. Поставьте оценку и напишите положительный комментарий к купленному файлу. После Вы получите деньги на ваш счет.