Решение: расчёт сопротивлений мостов и потенциометра
Задача: Расчёт сопротивлений автоматического моста и потенциометра
Задание 1.
На рис.1. представлена схема автоматического равновесного моста.
RЭР – эквивалентное сопротивление реохорда, RЭР=90 Ом;
RЛ – подгоночное сопротивление, RЛ=7,5 Ом;
RД – добавочное сопротивление для установки напряжения питания схемы;
ЭУ – электронный усилитель;
РД – реверсивный двигатель;
Ш – шкала прибора;
Необходимо рассчитать значение сопротивления схемы R1, R2, RШ, RК.
Диапазоны измерения температуры 0÷200 0С, градуировка термометра сопротивления – 10М.
Задание 2.
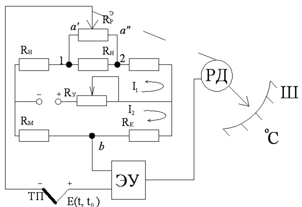
На рис.2. представлена схема автоматического потенциометра
ТП – термопара;
ЭУ – электронный усилитель;
РД – реверсивный двигатель;
Ш – шкала прибора;
RЭР – эквивалентное сопротивление реохорда, RЭР=90 Ом;
RУ – установочное сопротивление рабочего тока схемы;
RК – постоянное сопротивление, RК=509,3 Ом;
I1=3 mA, I2=2 mA – контурные токи схемы.
Определить значение сопротивлений:
RМ – медного резистора (служит для компенсации температуры холодных спаев);
Rб – балластное сопротивление;
RН – сопротивление для настройки начального значения шкалы прибора;
RК – сопротивление для настройки конечного значения шкалы прибора;
Диапазон измерения прибора 0÷800 0С, градуировка термопары ХА.Показать/скрыть дополнительное описание
На рис.1. представлена схема автоматического равновесного моста.
RЭР – эквивалентное сопротивление реохорда, RЭР=90 Ом;
RЛ – подгоночное сопротивление, RЛ=7,5 Ом;
RД – добавочное сопротивление для установки напряжения питания схемы;
ЭУ – электронный усилитель;
РД – реверсивный двигатель;
Ш – шкала прибора;
Необходимо рассчитать значение сопротивления схемы R1, R2, RШ, RК.
Диапазоны измерения температуры 0÷200 0С, градуировка термометра сопротивления – 10М.
Задание 2.
На рис.2. представлена схема автоматического потенциометра
ТП – термопара;
ЭУ – электронный усилитель;
РД – реверсивный двигатель;
Ш – шкала прибора;
RЭР – эквивалентное сопротивление реохорда, RЭР=90 Ом;
RУ – установочное сопротивление рабочего тока схемы;
RК – постоянное сопротивление, RК=509,3 Ом;
I1=3 mA, I2=2 mA – контурные токи схемы.
Определить значение сопротивлений:
RМ – медного резистора (служит для компенсации температуры холодных спаев);
Rб – балластное сопротивление;
RН – сопротивление для настройки начального значения шкалы прибора;
RК – сопротивление для настройки конечного значения шкалы прибора;
Диапазон измерения прибора 0÷800 0С, градуировка термопары ХА.Показать/скрыть дополнительное описание
Решение включает вывод балансных уравнений и численные расчёты для автоматического равновесного моста (RШ=21,29 Ом; R1=15,685 Ом и др.) и автоматического потенциометра (RМ=4,749 Ом; RН=3,166 Ом; Rб=328,44 Ом). Подходит для лабораторных и контрольных работ..
Характеристики решённой задачи
Предмет
Учебное заведение
Семестр
Просмотров
1
Размер
37,36 Kb
Список файлов
Задача.docx
🎓 Никольский - Помощь студентам 📚 Любые виды работ: тесты, сессии под ключ, практики, курсовые и дипломные с гарантией результата ✅ Все услуги под ключ ✅ Знаем все тонкости именно вашего ВУЗа ✅ Сдадим или вернем деньги
Комментарии
Нет комментариев
Стань первым, кто что-нибудь напишет!
МФПУ «Синергия»
nikolskypomosh














