Для студентов МГТУ им. Н.Э.Баумана по предмету Инженерная графикаЗадача 2Задача 2
5,0054
2013-08-162024-12-05СтудИзба
Задача 2 вариант 19
-60%
Описание
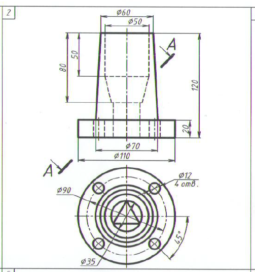
Чертеж 3 вида без размеров
![]()
Характеристики решённой задачи
Предмет
Учебное заведение
Семестр
Номер задания
Вариант
Программы
Просмотров
3568
Качество
Идеальное компьютерное
Размер
16,6 Kb
Список файлов
19-2.pdf

Вам все понравилось? Получите кэшбэк - 40 рублей на Ваш счёт при покупке. Поставьте оценку и напишите положительный комментарий к купленному файлу. После Вы получите деньги на ваш счет.