Задача 60: Подшипник вариант 7
Описание
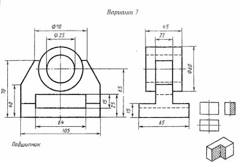
Подшипник. вариант 7 ЧЕРТЕЖ
Задание 60
По двум проекциям построить третью проекцию с применением разрезов, указанных в схеме, изометрическую проекцию учебной модели с вырезом передней четверти. Нанести размеры.
Чертеж и 3d модель (все на скриншотах показано и присутствует в архиве) выполнены в КОМПАС 3D.
Также открывать и просматривать, печатать чертежи и 3D-модели, выполненные в КОМПАСЕ можно просмоторщиком КОМПАС-3D Viewer.
Задание 60 По двум проекциям построить третью проекцию с применением разрезов, указанных в схеме, изометрическую проекцию учебной модели с вырезом передней четверти. Нанести размеры.
Чертеж и 3d модель (все на скриншотах показано и присутствует в архиве) выполнены в КОМПАС 3D. Также открывать и просматривать, печатать чертежи и 3D-модели, выполненные в КОМПАСЕ можно просмоторщиком КОМПАС-3D Viewer.
Характеристики решённой задачи
Предмет
Семестр
Номер задания
Вариант
Программы
Теги
Просмотров
1
Качество
Идеальное компьютерное
Размер
107,39 Kb
Список файлов
Вариант 7 Подшипник
Вариант 7 Подшипник.cdw
Вариант 7 Подшипник.m3d
Вариант 7 Подшипник.pdf
Комментарии
Нет комментариев
Стань первым, кто что-нибудь напишет!
coolns























