Задача 13: Крышка вариант 10
Описание
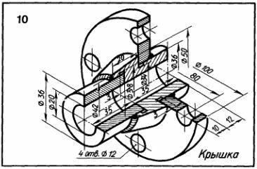
Крышка Вариант 10. Сварные соединения
Графическая работа 13
Выполнить чертеж сварного узла.
Все чертежи и 3d модели + pdf (все на скриншотах показано и присутствует в архиве) выполнены в КОМПАС 3D.
Также открывать и просматривать, печатать чертежи и 3D-модели, выполненные в КОМПАСЕ можно просмоторщиком КОМПАС-3D Viewer.
Графическая работа 13 Выполнить чертеж сварного узла.
Все чертежи и 3d модели + pdf (все на скриншотах показано и присутствует в архиве) выполнены в КОМПАС 3D. Также открывать и просматривать, печатать чертежи и 3D-модели, выполненные в КОМПАСЕ можно просмоторщиком КОМПАС-3D Viewer.
Характеристики решённой задачи
Предмет
Семестр
Номер задания
Вариант
Программы
Теги
Просмотров
1
Качество
Идеальное компьютерное
Размер
330,85 Kb
Список файлов
Вариант 10 Крышка
01 Втулка.cdw
01 Втулка.m3d
01 Втулка.pdf
02 Фланец.cdw
02 Фланец.m3d
02 Фланец.pdf
03 Втулка.cdw
03 Втулка.m3d
03 Втулка.pdf
Вариант 10 Крышка.a3d
Вариант 10 Крышка.cdw
Вариант 10 Крышка.pdf
Комментарии
Нет комментариев
Стань первым, кто что-нибудь напишет!
coolns






















