Задача 46: Вал вариант 3
Описание
Вал Вариант 3. сечения
Упражнение 46
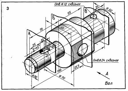
Начертить главный вид вала, взяв направление взгляда по стрелке А Выполнить три сечения. Сечение плоскостью А расположить на продолжении следа секущей плоскости, сечение плоскостью Б - на свободном месте чертежа, сечение плоскостью В - в проекционной связи.
Чертеж выполнен на формате А3 + 3d модель + pdf (все на скриншотах показано и присутствует в архиве) выполнены в КОМПАС 3D.
Также открывать и просматривать, печатать чертежи и 3D-модели, выполненные в КОМПАСЕ можно просмоторщиком КОМПАС-3D Viewer.
Упражнение 46 Начертить главный вид вала, взяв направление взгляда по стрелке А Выполнить три сечения. Сечение плоскостью А расположить на продолжении следа секущей плоскости, сечение плоскостью Б - на свободном месте чертежа, сечение плоскостью В - в проекционной связи.
Чертеж выполнен на формате А3 + 3d модель + pdf (все на скриншотах показано и присутствует в архиве) выполнены в КОМПАС 3D. Также открывать и просматривать, печатать чертежи и 3D-модели, выполненные в КОМПАСЕ можно просмоторщиком КОМПАС-3D Viewer.
Характеристики решённой задачи
Предмет
Семестр
Номер задания
Вариант
Программы
Теги
Просмотров
5
Качество
Идеальное компьютерное
Размер
127,49 Kb
Список файлов
Вариант 3
~$л _ Вариант 3.cd~
Вал _ Вариант 3.cdw
Вал _ Вариант 3.m3d
Вал _ Вариант 3.pdf
Комментарии
Нет комментариев
Стань первым, кто что-нибудь напишет!
coolns




















