Для студентов по предмету Инженерная графикаКорпусКорпус
5,00512
2026-02-122026-02-12СтудИзба
Задача 42: Корпус вариант 8
Новинка
Описание
Корпус Вариант 8 ЧЕРТЕЖ
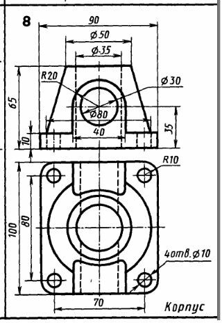
Упражнение 42
По двум видам построить третий вид. Выполнить необходимые разрезы. Поставить размеры.
Чертеж выполнен на формате А3 + 3d модель + pdf (все на скриншотах показано и присутствует в архиве) выполнены в КОМПАС 3D.
Также открывать и просматривать, печатать чертежи и 3D-модели, выполненные в КОМПАСЕ можно просмоторщиком КОМПАС-3D Viewer.
Упражнение 42 По двум видам построить третий вид. Выполнить необходимые разрезы. Поставить размеры.
Чертеж выполнен на формате А3 + 3d модель + pdf (все на скриншотах показано и присутствует в архиве) выполнены в КОМПАС 3D. Также открывать и просматривать, печатать чертежи и 3D-модели, выполненные в КОМПАСЕ можно просмоторщиком КОМПАС-3D Viewer.
Характеристики решённой задачи
Предмет
Семестр
Номер задания
Вариант
Программы
Теги
Просмотров
1
Качество
Идеальное компьютерное
Размер
145,39 Kb
Список файлов
Вариант 8
Корпус _ Упражнение 42 вариант 8.cdw
Корпус _ Упражнение 42 вариант 8.pdf
Корпус.m3d
Комментарии
Нет комментариев
Стань первым, кто что-нибудь напишет!
coolns





















