Для студентов по предмету Инженерная графикаКрышкаКрышка
5,00512
2026-02-112026-02-11СтудИзба
Задача 41: Крышка вариант 7
Новинка
Описание
Крышка вариант 7 ЧЕРТЕЖ
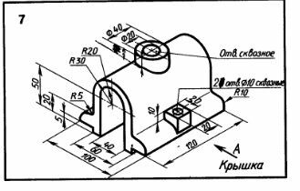
Упражнение 41
Начертить три вида детали. Выполнить разрезы. Проставить размеры. Главный вид взять по стрелке А.
Чертеж выполнен на формате А3 + 3d модель + pdf (все на скриншотах показано и присутствует в архиве) выполнены в КОМПАС 3D.
Также открывать и просматривать, печатать чертежи и 3D-модели, выполненные в КОМПАСЕ можно просмоторщиком КОМПАС-3D Viewer.
Упражнение 41 Начертить три вида детали. Выполнить разрезы. Проставить размеры. Главный вид взять по стрелке А.
Чертеж выполнен на формате А3 + 3d модель + pdf (все на скриншотах показано и присутствует в архиве) выполнены в КОМПАС 3D. Также открывать и просматривать, печатать чертежи и 3D-модели, выполненные в КОМПАСЕ можно просмоторщиком КОМПАС-3D Viewer.
Характеристики решённой задачи
Предмет
Семестр
Номер задания
Вариант
Программы
Теги
Просмотров
1
Качество
Идеальное компьютерное
Размер
139,3 Kb
Список файлов
Вариант 7
Крышка _ Упражнение 41 вариант 7.cdw
Крышка _ Упражнение 41 вариант 7.pdf
Крышка.m3d
Комментарии
Нет комментариев
Стань первым, кто что-нибудь напишет!
coolns





















