Задача 12: Штамп для изготовления фанерных решеток
Описание
Штамп для изготовления фанерных решеток 12-00 ЧЕРТЕЖ
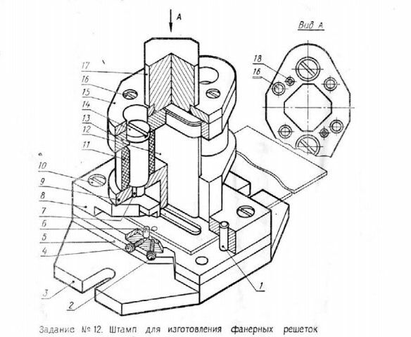
Устройство и работа штампа. Рассматриваемый штамп предназначен для изготовления из фанеры дверных решеток. Форма решетки показана на рис. 1.Штамп собирают в следующем порядке. На выступ подушки 3 устанавливают матрицу 5, при этом прямоугольные вырезы размером 24 мм в подушке и на матрице должны совпадать. В отверстие ф8 матрицы, расположенное на расстоянии 46 мм от оси окна, вставляют до отказа упор 6 фаской 1х45 вниз и закрепляют винтом 4. Направляющую плиту 8 накладывают на матрицу так, чтобы гнезда для цилиндрических головок винтов 10 оказалисьнаверху, а несимметричный вырез плиты —на стороне матрицы, имеющей прямоугольный вырез. Взаимное положение деталей 3, 5 и 8 фиксируют штифтами 7, после чего их скрепляют винтами 10. Теперь детали 1, 3, 4,5, 6,8 и 10 собраны в отдельный узел.Далее собирают второй узел. Хвостовик 17 цилиндрической частью ф60 вставляют до упора в отверстие верхней планки пуансонодержателя 15 со стороны, не имеющей фаски. Фаска на цилиндрической части хвостовика и фаска в отверстии пуансонодержателя образуют разделку под сварку, по которой детали сваривают.Затем собирают третий узел. На прижим 9 устанавливают два буфера 11 так, чтобы оси отверстий М20 прижима совпали с осями буферов. Буфера располагают на прижиме со стороны, противоположной выступу. На буфера кладут нижнюю планку пуансонодержателя 13,в которую предварительно запрессовывают пуансон 12. Пуансон при этом должен нижней частью входить в направляющее окно прижима 9. Детали 9, 11 и 13 соединяют винтами 14. Чтобы во время работы винты 14 не вывинчивались, их стопорят винтами М5х8 (дет.7). Два гнезда под винты 7 сверлят и нарезают совместно в деталях 9 и 14 при сборке. Оси гнезд располагают в продольной плоскости симметрии прижима на образующих наружного цилиндра резьбы М20. Сборку третьего узла на этом заканчивают.После этого собирают штамп из отдельных узлов. Верхнюю планку 15 пуансонодержателя устанавливают на нижнюю планку 13 с таким расчетом, чтобы оси отверстий ф10 на обеих деталях совпали. Достигнув указанного положения, в эти отверстия вставляют штифты 18 и скрепляют узлы винтами 16. Теперь второй и третий узлы собраны.Квадратной частью хвостовик 17 вставляют в гнездо штока эксцентрикового пресса. На главном виде сборочного чертежа выступ прижима 9 должен входить на 8—10 мм в окно направляющей плиты 8.Рассмотрим работу штампа. Фанерную заготовку короткой стороной подают в окно 146х15 мм направляющей плиты 8 до упора 6. Затем прижимом 9 равномерно и близко к линии реза прижимают часть заготовки к матрице, и пуансон вырубает в ней отверстие (рис.1). Когда первые отверстия во всех заготовках будут вырублены, упор переставляют во второе отверстие матрицы, которое расположено на расстоянии 33 мм от продольной оси окна, и закрепляют винтом 2. После этого заготовку той же стороной подают в окно и ранее вырубленным отверстием надевают на упор. Натянув на себя до отказа заготовку, вырубают второе отверстие. Так поступают со всеми заготовками партии. Затем, не переставляя упора, заготовку той же стороной подают в окно и вторым отверстием надевают на упор. Натянув на себя до отказа заготовку, вырубают третье отверстие и т.д. Во всей заготовке вырубают десять отверстий. В результате этого крайние отверстия будут находиться на расстоянии 35 мм от кромок коротких сторон детали.
Штамп для изготовления фанерных решеток 12-00 сб
Штамп для изготовления фанерных решеток 12-00 спецификация
Штамп для изготовления фанерных решеток 12-00 3д модель
Штамп для изготовления фанерных решеток 12-00 чертежи
Винт 12-2
Подушка 12-3
Винт 12-4
Матрица 12-5
Упор 12-6
Плита направляющая 12-8
Прижим 12-9
Буфер 12-11
Пуансон 12-12
Планка пуансонодержателя нижняя 12-13
Винт 12-14
Планка пуансонодержателя верхняя 12-15
Хвостовик 12-17
Все чертежи и 3d модели (все на скриншотах показано и присутствует в архиве) выполнены в КОМПАС 3D.Также открывать и просматривать, печатать чертежи и 3D-модели, выполненные в КОМПАСЕ можно просмоторщиком КОМПАС-3D Viewer.
Устройство и работа штампа. Рассматриваемый штамп предназначен для изготовления из фанеры дверных решеток. Форма решетки показана на рис. 1.Штамп собирают в следующем порядке. На выступ подушки 3 устанавливают матрицу 5, при этом прямоугольные вырезы размером 24 мм в подушке и на матрице должны совпадать. В отверстие ф8 матрицы, расположенное на расстоянии 46 мм от оси окна, вставляют до отказа упор 6 фаской 1х45 вниз и закрепляют винтом 4. Направляющую плиту 8 накладывают на матрицу так, чтобы гнезда для цилиндрических головок винтов 10 оказалисьнаверху, а несимметричный вырез плиты —на стороне матрицы, имеющей прямоугольный вырез. Взаимное положение деталей 3, 5 и 8 фиксируют штифтами 7, после чего их скрепляют винтами 10. Теперь детали 1, 3, 4,5, 6,8 и 10 собраны в отдельный узел.Далее собирают второй узел. Хвостовик 17 цилиндрической частью ф60 вставляют до упора в отверстие верхней планки пуансонодержателя 15 со стороны, не имеющей фаски. Фаска на цилиндрической части хвостовика и фаска в отверстии пуансонодержателя образуют разделку под сварку, по которой детали сваривают.Затем собирают третий узел. На прижим 9 устанавливают два буфера 11 так, чтобы оси отверстий М20 прижима совпали с осями буферов. Буфера располагают на прижиме со стороны, противоположной выступу. На буфера кладут нижнюю планку пуансонодержателя 13,в которую предварительно запрессовывают пуансон 12. Пуансон при этом должен нижней частью входить в направляющее окно прижима 9. Детали 9, 11 и 13 соединяют винтами 14. Чтобы во время работы винты 14 не вывинчивались, их стопорят винтами М5х8 (дет.7). Два гнезда под винты 7 сверлят и нарезают совместно в деталях 9 и 14 при сборке. Оси гнезд располагают в продольной плоскости симметрии прижима на образующих наружного цилиндра резьбы М20. Сборку третьего узла на этом заканчивают.После этого собирают штамп из отдельных узлов. Верхнюю планку 15 пуансонодержателя устанавливают на нижнюю планку 13 с таким расчетом, чтобы оси отверстий ф10 на обеих деталях совпали. Достигнув указанного положения, в эти отверстия вставляют штифты 18 и скрепляют узлы винтами 16. Теперь второй и третий узлы собраны.Квадратной частью хвостовик 17 вставляют в гнездо штока эксцентрикового пресса. На главном виде сборочного чертежа выступ прижима 9 должен входить на 8—10 мм в окно направляющей плиты 8.Рассмотрим работу штампа. Фанерную заготовку короткой стороной подают в окно 146х15 мм направляющей плиты 8 до упора 6. Затем прижимом 9 равномерно и близко к линии реза прижимают часть заготовки к матрице, и пуансон вырубает в ней отверстие (рис.1). Когда первые отверстия во всех заготовках будут вырублены, упор переставляют во второе отверстие матрицы, которое расположено на расстоянии 33 мм от продольной оси окна, и закрепляют винтом 2. После этого заготовку той же стороной подают в окно и ранее вырубленным отверстием надевают на упор. Натянув на себя до отказа заготовку, вырубают второе отверстие. Так поступают со всеми заготовками партии. Затем, не переставляя упора, заготовку той же стороной подают в окно и вторым отверстием надевают на упор. Натянув на себя до отказа заготовку, вырубают третье отверстие и т.д. Во всей заготовке вырубают десять отверстий. В результате этого крайние отверстия будут находиться на расстоянии 35 мм от кромок коротких сторон детали.
Штамп для изготовления фанерных решеток 12-00 сб Штамп для изготовления фанерных решеток 12-00 спецификация
Штамп для изготовления фанерных решеток 12-00 3д модель
Штамп для изготовления фанерных решеток 12-00 чертежи
Винт 12-2
Подушка 12-3
Винт 12-4
Матрица 12-5
Упор 12-6
Плита направляющая 12-8
Прижим 12-9
Буфер 12-11
Пуансон 12-12
Планка пуансонодержателя нижняя 12-13
Винт 12-14
Планка пуансонодержателя верхняя 12-15
Хвостовик 12-17
Все чертежи и 3d модели (все на скриншотах показано и присутствует в архиве) выполнены в КОМПАС 3D.Также открывать и просматривать, печатать чертежи и 3D-модели, выполненные в КОМПАСЕ можно просмоторщиком КОМПАС-3D Viewer.Файлы условия, демо
Характеристики решённой задачи
Предмет
Семестр
Номер задания
Программы
Теги
Просмотров
2
Качество
Идеальное компьютерное
Размер
1021,4 Kb
Список файлов
12-00 Штамп для изготовления фанерных решеток
12-00 СБ_Штамп для изготовления фанерных решеток.a3d
12-00 СБ_Штамп для изготовления фанерных решеток.cdw
12-00 СП_Штамп для изготовления фанерных решеток.cdw
12-2 Винт.cdw
12-2_Винт.m3d
12-3 Подушка.cdw
12-3_Подушка.m3d
12-4_Винт.m3d
12-5 Матрица.cdw
12-5_Матрица.m3d
12-6 Упор.cdw
12-6_Упор.m3d
12-8 Плита направляющая.cdw
12-8_Плита направляющая.m3d
12-9 Прижим.cdw
12-9_Прижим.m3d
12-11 Буфер.cdw
12-11_Буфер.m3d
12-12 Пуансон.cdw
12-12_Пуансон.m3d
12-13 Планка пуансонодержателя нижняя.cdw
12-13_Планка пуансонодержателя нижняя.m3d
12-14 Винт.cdw
12-14_Винт.m3d
12-15 Планка пуансонодержателя верхняя.cdw
12-15_Планка пуансонодержателя верхняя.m3d
12-17 Хвостовик.cdw
12-17_Хвостовик.m3d
Комментарии
Нет комментариев
Стань первым, кто что-нибудь напишет!
coolns





















