Для студентов МГТУ им. Н.Э.Баумана по предмету Инженерная графикаЗадача 2Задача 2
4,835643
2025-10-312025-10-31СтудИзба
Задача 2 вариант 7
Описание
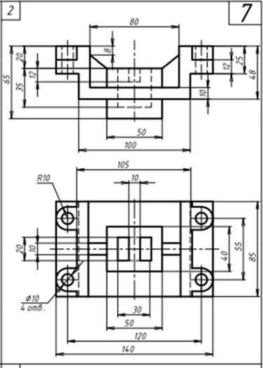
Домашнее задание по курсу "Инженерная графика" для ИУ1, ИУ2, Э3-13.В архиве - трехмерная модель детали и чертеж в формате pdf.

Файлы условия, демо
Характеристики решённой задачи
Предмет
Учебное заведение
Семестр
Номер задания
Вариант
Программы
Теги
Просмотров
2
Качество
Идеальное компьютерное
Размер
1,35 Mb
Список файлов
Задача2
OldVersions
Задача2.0003.ipt
Задача2.0008.dwg
lockfile.lck
Задача2.dwg
Задача2.ipt
Задача2.pdf
OpelBlitz
Комментарии
Нет комментариев
Стань первым, кто что-нибудь напишет!
МГТУ им. Н.Э.Баумана
OpelBlitz


















