Для студентов МГТУ им. Н.Э.Баумана по предмету Инженерная графикаЗадача 1Задача 1
4,835642
2025-10-212025-10-21СтудИзба
Задача 1 вариант 1
Описание
Домашнее задание по курсу "Инженерная графика" для ИУ1, ИУ2, Э3-13.
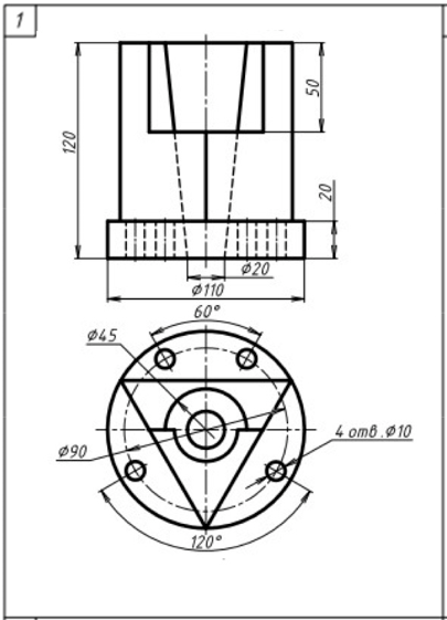
В архиве - трехмерная модель детали и чертеж в формате pdf.
![]()
В архиве - трехмерная модель детали и чертеж в формате pdf.

Файлы условия, демо
Характеристики решённой задачи
Предмет
Учебное заведение
Семестр
Номер задания
Вариант
Программы
Теги
Просмотров
8
Качество
Идеальное компьютерное
Размер
1,13 Mb
Список файлов
Задача 1
OldVersions
Задача 1.0003.ipt
Задача 1.0007.dwg
lockfile.lck
Задача 1.dwg
Задача 1.ipt
Задача 1.pdf
OpelBlitz
Комментарии
Нет комментариев
Стань первым, кто что-нибудь напишет!
МГТУ им. Н.Э.Баумана
OpelBlitz

















