Для студентов МПУ по предмету Инженерная графикаДеталь 536Деталь 536
4,815579
2024-03-312024-03-31СтудИзба
Задача 536: Деталь 536
Описание
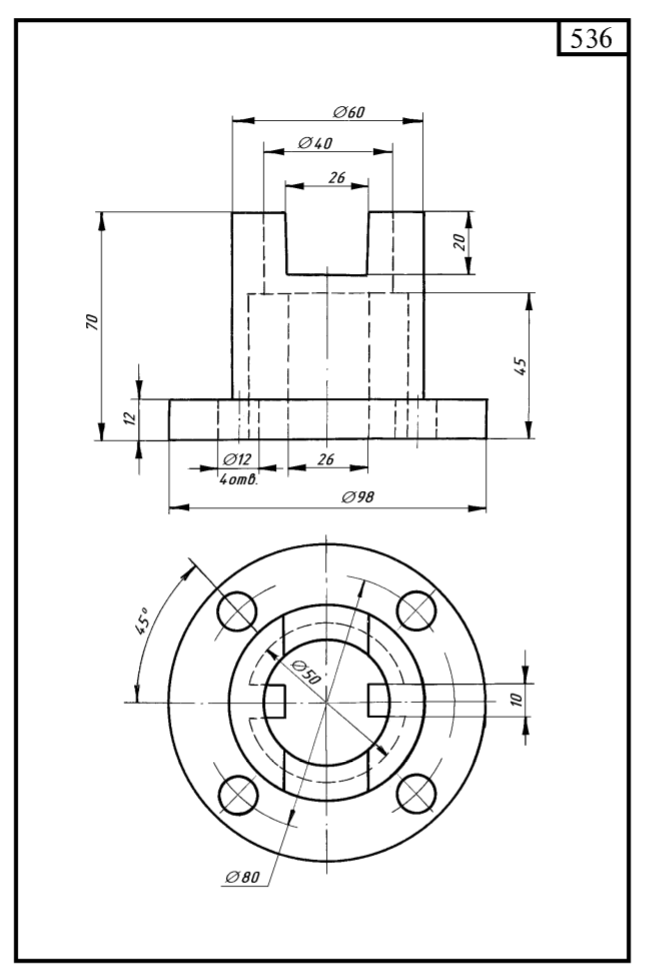
В архиве - 3D модель и чертеж детали 536. Модель и чертеж выполнены в Autodesk Inventor 2021. ![]()

Файлы условия, демо
Характеристики решённой задачи
Предмет
Учебное заведение
Семестр
Номер задания
Программы
Просмотров
1
Качество
Идеальное компьютерное
Размер
1,13 Mb
Список файлов
Задание 536
OldVersions
Деталь 536.0004.ipt
Деталь 536.0018.dwg
lockfile.lck
Деталь 536.dwg
Деталь 536.ipt
Деталь 536.pdf
OpelBlitz
МПУ
OpelBlitz

















