Для студентов МГТУ им. Н.Э.Баумана по предмету Инженерная графикаЗадача 1Задача 1
4,9957662
2022-11-112022-11-11СтудИзба
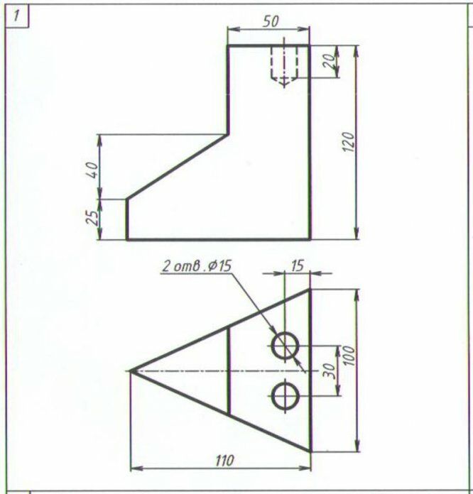
Задача 1 вариант 27
Описание
Вариант 27 - Задача 1
- 3D-модели детали выполнены в программе Inventor 2018 (.ipt)
- 3D-модели детали сохранены в 3D-PDF
- Чертежи детали в формате Inventor 2018 (.idw)
- Чертежи детали в формате Autocad 2007 (.dwg)
- Чертежи детали в формате PDF (Лист А3)
- В АРХИВЕ ДОБАВЛЕНЫ ФАЙЛЫ В НЕЙТРАЛЬНОМ ФОРМАТЕ( .X_B; .STP) ДЛЯ ОТКРЫТИЯ В INVENTOR БОЛЕЕ СТАРОЙ ВЕРСИИ И ДРУГИХ ПРОГРАММЕ САПР И ФАЙЛ КАРТИНКИ (.JPG)
ДЕМО


Файлы условия, демо
Характеристики решённой задачи
Предмет
Учебное заведение
Семестр
Номер задания
Вариант
Программы
Просмотров
3
Качество
Идеальное компьютерное
Размер
623,11 Kb
Список файлов
ЗАДАЧА 1_ ВАРИАНТ 27.3D.pdf
ЗАДАЧА 1_ ВАРИАНТ 27.dwg
ЗАДАЧА 1_ ВАРИАНТ 27.idw
ЗАДАЧА 1_ ВАРИАНТ 27.ipt
ЗАДАЧА 1_ ВАРИАНТ 27.pdf

Если работа Вам была полезна, Пожалуйста, потратьте несколько секунд, чтобы оставить нам 5 ЗВЁЗД и положительный отзывы. Мы Вам глубоко признателены!