Для студентов МГТУ им. Н.Э.Баумана по предмету Инженерная графикаЗадача 3Задача 3
4,92523442
2013-10-262024-12-05СтудИзба
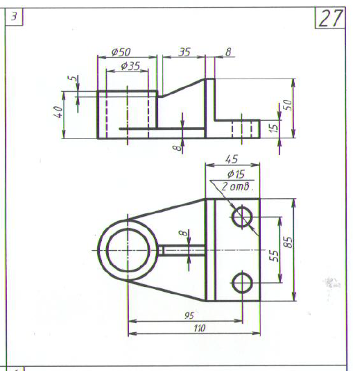
Задача 3 вариант 27
-60%
Описание

Характеристики решённой задачи
Предмет
Учебное заведение
Семестр
Номер задания
Вариант
Просмотров
1355
Качество
Фото рукописных листов
Размер
300,44 Kb
Список файлов
Вариант 27 - Задача 3.JPG

Вам все понравилось? Получите кэшбэк - 40 рублей на Ваш счёт при покупке. Поставьте оценку и напишите положительный комментарий к купленному файлу. После Вы получите деньги на ваш счет.