Для студентов МГТУ им. Н.Э.Баумана по предмету Инженерная графикаЗадача 6Задача 6
4,92523036
2022-11-102024-12-05СтудИзба
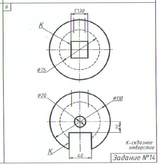
Задача 6 вариант 14
-60%
Описание

Характеристики решённой задачи
Предмет
Учебное заведение
Семестр
Номер задания
Вариант
Просмотров
14
Качество
Фото рукописных листов
Размер
724,81 Kb
Список файлов
Вариант 14 - Задача 6 - 1.JPG
Вариант 14 - Задача 6 - 2.JPG

Вам все понравилось? Получите кэшбэк - 40 рублей на Ваш счёт при покупке. Поставьте оценку и напишите положительный комментарий к купленному файлу. После Вы получите деньги на ваш счет.