Для студентов МГТУ им. Н.Э.Баумана по предмету Инженерная графикаЗадача 3Задача 3
5,0051
2022-07-302022-07-30СтудИзба
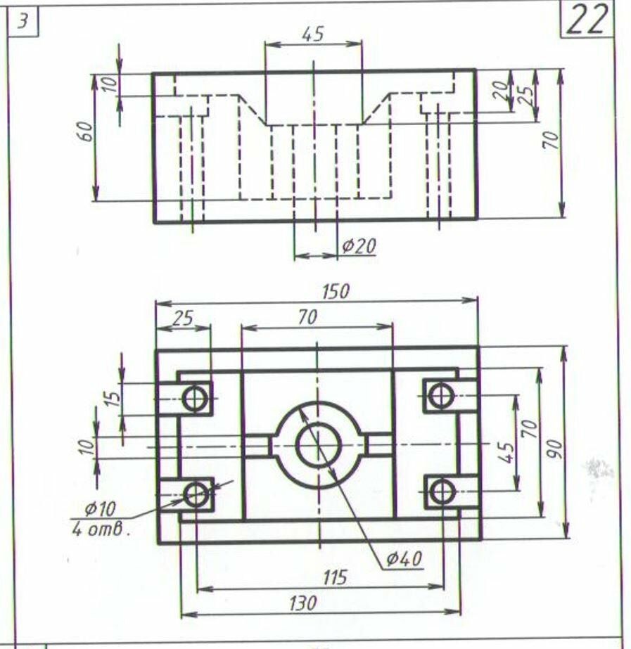
Задача 3 вариант 22
Описание
- 3D-модели детали выполнены в программе Inventor 2018 (.ipt)
- 3D-модели детали сохранены в 3D-PDF
- Чертежи детали в формате Inventor 2018 (.idw)
- Чертежи детали в формате Autocad 2007 (.dwg)
- Чертежи детали в формате PDF (Лист А3)

Файлы условия, демо
Характеристики решённой задачи
Предмет
Учебное заведение
Семестр
Номер задания
Вариант
Программы
Просмотров
12
Качество
Идеальное компьютерное
Размер
1,42 Mb
Список файлов
ЗАДАЧА 3_ ВАРИАНТ 22.dwg
ЗАДАЧА 3_ ВАРИАНТ 22.idw
ЗАДАЧА 3_ ВАРИАНТ 22.ipt
ЗАДАЧА 3_ ВАРИАНТ 22.pdf
ЗАДАЧА 3_ ВАРИАНТ 22_3D.pdf

Если работа Вам была полезна, Пожалуйста, потратьте несколько секунд, чтобы оставить нам 5 ЗВЁЗД и положительный отзывы. Мы Вам глубоко признателены!