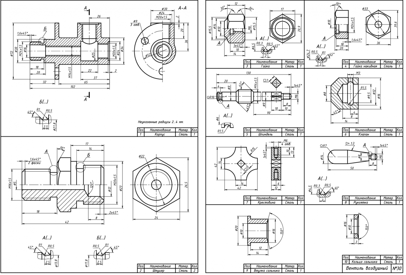
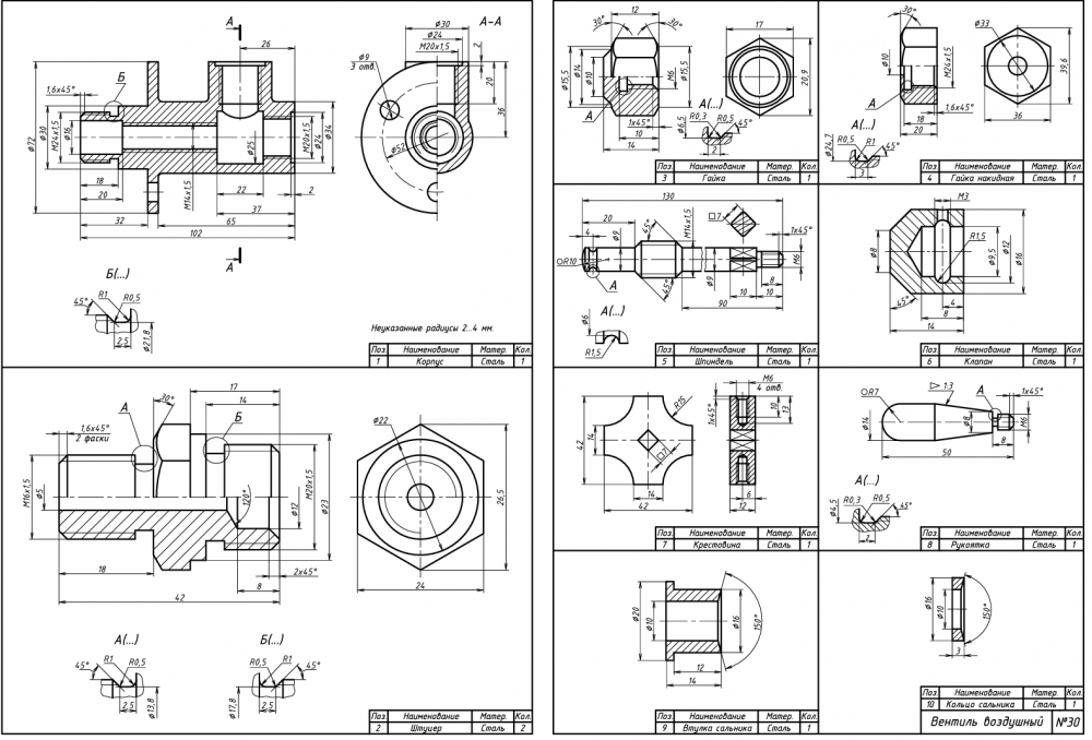
ДЗ: Вентиль Воздушный вариант 30
Новинка
Описание
Характеристики домашнего задания
Предмет
Учебное заведение
Семестр
Вариант
Просмотров
0
Размер
2,45 Mb
Список файлов
30 вариант
Клапан.m3d
Кольцо сальника.m3d
Корпус.m3d
Корпус.m3d.bak
Крестовина.m3d
Вентиль воздушный Сборочный чертеж _ СБ.cdw
Вентиль воздушный Сборочный чертеж _ СБ.cdw.bak
Вентиль воздушный.a3d
Вентиль воздушный.a3d.bak
Вентиль воздушный.spw
Вентиль воздушный.spw.bak
Втулка сальника.m3d
Гайка накидная.m3d
Гайка.m3d
Рукоятка.m3d
Шпиндель.m3d
Шпиндель.m3d.bak
Штуцер.m3d
Штуцер.m3d.bak
Комментарии
Нет комментариев
Стань первым, кто что-нибудь напишет!
МГТУ им. Н.Э.Баумана
marusya20092006











