Для студентов МГТУ им. Н.Э.Баумана по предмету Инженерная графикаПневмоцилиндрПневмоцилиндр
2025-12-112025-12-12СтудИзба
ДЗ 2: Пневмоцилиндр вариант 10
Описание
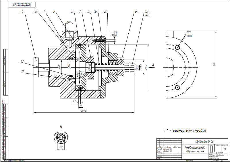
Все модели, чертежи в компасе и на миллиметровке, схема деления и схема хранения, а также спецификация ![]()

Характеристики домашнего задания
Предмет
Учебное заведение
Семестр
Номер задания
Вариант
Просмотров
12
Размер
9,39 Mb
Список файлов
Пневмоцилиндр
Кольцо с углом.m3d
Кольцо с углом.m3d.bak
Кольцо.m3d
Кольцо.m3d.bak
Компоновка_10.pdf
Крышка.m3d
Крышка.m3d.bak
Пневмоцилиндр _ 0010.00.00Е1.cdw
Пневмоцилиндр _ 0010.00.00Е1.cdw.bak
Пневмоцилиндр _ 0010.00.00Е1.pdf
Пневмоцилиндр _ 0012.00.00.pdf
Пневмоцилиндр _ 0012.00.00.spw
Пневмоцилиндр _ 0012.00.00.spw.bak
Пневмоцилиндр.a3d
Пневмоцилиндр.a3d.bak
Пневмоцилиндр.spw.bak
Поршень.m3d
Поршень.m3d.bak
Пробка.m3d
Пробка.m3d.bak
Пружина.m3d
Пружина.m3d.bak
Гайка.m3d
Гайка.m3d.bak
Схема деления.jpg
Схема хранения.jpg
Цилиндр.m3d
Цилиндр.m3d.bak
Чертеж.jpg
Шток.m3d
Комментарии
Нет комментариев
Стань первым, кто что-нибудь напишет!
МГТУ им. Н.Э.Баумана
















