Для студентов МГТУ им. Н.Э.Баумана по предмету Инженерная графика№19-14 Вентиль№19-14 Вентиль
2025-02-192025-02-19СтудИзба
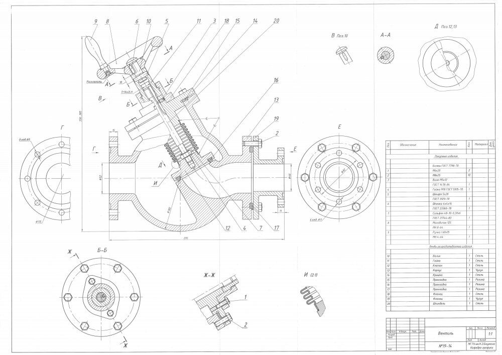
ДЗ 19: №19-14 Вентиль вариант 14
Описание
Характеристики домашнего задания
Предмет
Учебное заведение
Семестр
Номер задания
Вариант
Просмотров
71
Качество
Скан печатных листов
Размер
15,12 Mb
Список файлов
Комментарии
Нет комментариев
Стань первым, кто что-нибудь напишет!
МГТУ им. Н.Э.Баумана
Vasilevsk3005


















