Для студентов МАИ по предмету Инженерная графикаДеталь ЛДеталь Л
5,0051
2023-10-072023-10-07СтудИзба
ДЗ Л: Деталь Л вариант 16
Описание
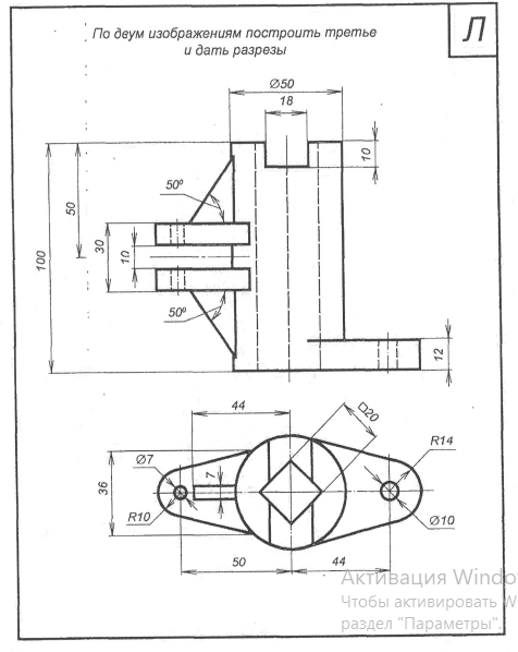
В архиве - 3D модель и чертеж детали Л из комплекта заданий по инженерной графике для 2 семестра. На чертеже представлены 3 вида детали с необходимыми разрезами. Чертеж из pdf-файла можно сразу переносить на ватман.
![]()

Файлы условия, демо
Характеристики домашнего задания
Предмет
Учебное заведение
Семестр
Номер задания
Вариант
Программы
Просмотров
15
Качество
Идеальное компьютерное
Размер
1,36 Mb
Список файлов
Деталь Л-16
OldVersions
Деталь Л.0006.ipt
Деталь Л.0015.dwg
lockfile.lck
Деталь Л.dwg
Деталь Л.ipt
Деталь Л.pdf
Условие Л-16.jpg
OpelBlitz
Комментарии
Нет комментариев
Стань первым, кто что-нибудь напишет!
МАИ
OpelBlitz

















