Для студентов МГТУ им. Н.Э.Баумана по предмету Инженерная графикаВинтовое соединениеВинтовое соединение
5,0058
2023-07-162024-09-03СтудИзба
ДЗ: Винтовое соединение вариант 1
-66%
Описание
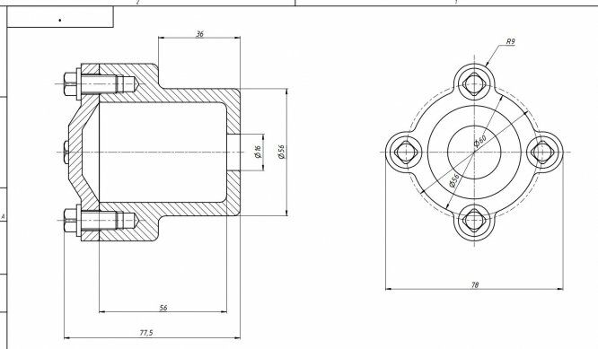
Вариант 1 - Соединение винтом - 3D-модели
Сборка 1 вариант в Inventor
Зачтено на максимальный балл 💥 💥 💥
Спасибо за покупку 🥰🥰

Характеристики домашнего задания
Предмет
Учебное заведение
Семестр
Вариант
Программы
Теги
Просмотров
423
Размер
949,5 Kb
Список файлов
Вариант 1 - Соединение винтом - 3D модели
Вкладыш модуль 3.dwg
Вкладыш модуль 3.iam
Вкладыш модуль 3.pdf
Корпус 3 модуль.ipt
Крышка 3 модуль.ipt

Друзья, спасибо за доверие! Если вам понравилась работа – поставьте 5⭐ и напишите отзыв. Это поможет другим студентам, а мне даст силы делать ещё больше качественных материалов для вас 🔥