Для студентов МАИ по предмету Инженерная графикаДеталь КДеталь К
5,0051
2023-03-082023-03-08СтудИзба
ДЗ К: Деталь К вариант 6
Описание
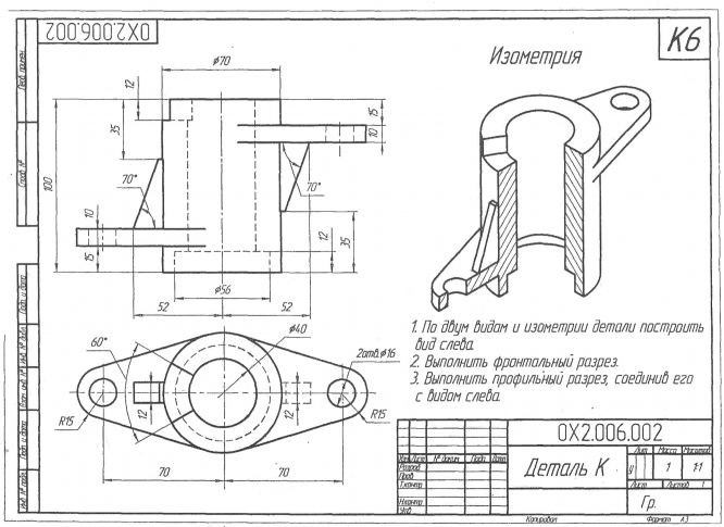
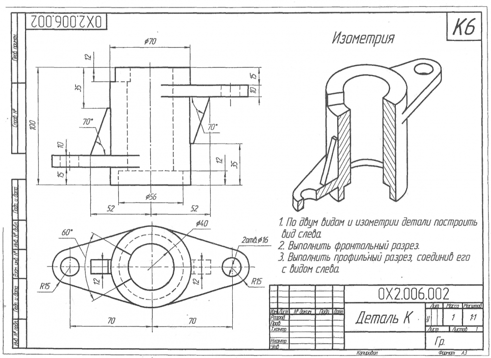
В архиве - 3D модель и чертеж детали К из комплекта заданий по инженерной графике для 2 семестра. На чертеже представлены 3 вида детали с необходимыми разрезами. Чертеж из pdf-файла можно сразу переносить на ватман.
![]()

Характеристики домашнего задания
Предмет
Учебное заведение
Семестр
Номер задания
Вариант
Программы
Просмотров
23
Качество
Идеальное компьютерное
Размер
1,26 Mb
Список файлов
Деталь К(6)
OldVersions
Деталь К.0004.ipt
Деталь К.0010.dwg
lockfile.lck
Деталь К.dwg
Деталь К.ipt
Деталь К.pdf
OpelBlitz