Для студентов МАИ по предмету Инженерная графикаДеталь АДеталь А
4,805559
2023-03-082023-03-08СтудИзба
ДЗ А: Деталь А вариант 6
Описание
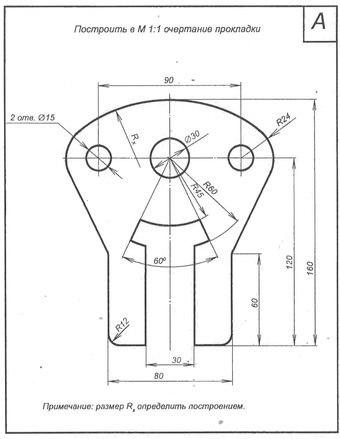
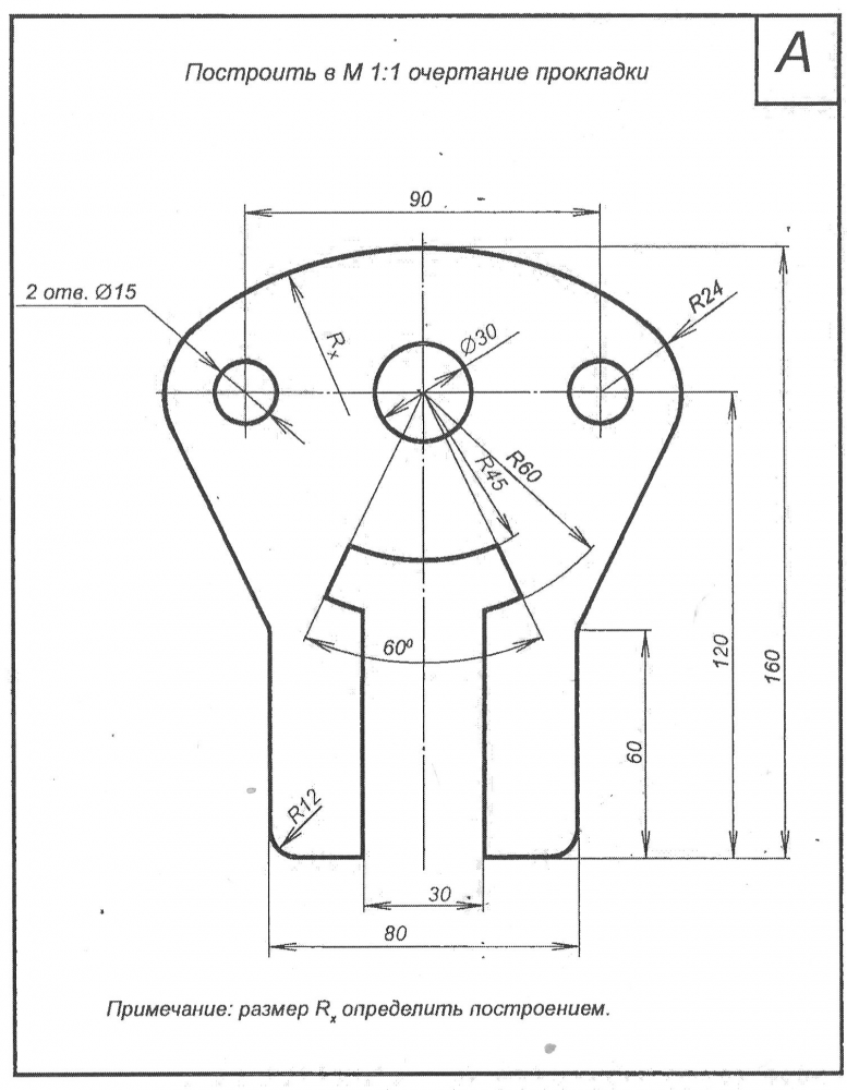
Чертеж детали А из комплекта заданий по инженерной графике для 2 семестра. На чертеже обозначены вспомогательные линии, используемые при построении изображения, а также проставлены необходимые для построения размеры. Чертеж можно сразу перечерчивать на ватман.
![]()

Характеристики домашнего задания
Предмет
Учебное заведение
Семестр
Номер задания
Вариант
Программы
Просмотров
16
Качество
Идеальное компьютерное
Размер
782,11 Kb
Список файлов
Деталь А(6)
OldVersions
Деталь А.0009.dwg
lockfile.lck
Деталь А.dwg
Деталь А.pdf
OpelBlitz