Для студентов МАИ по предмету Инженерная графикаДеталь КДеталь К
5,0051
2023-02-252023-02-25СтудИзба
ДЗ К: Деталь К вариант 12
Описание
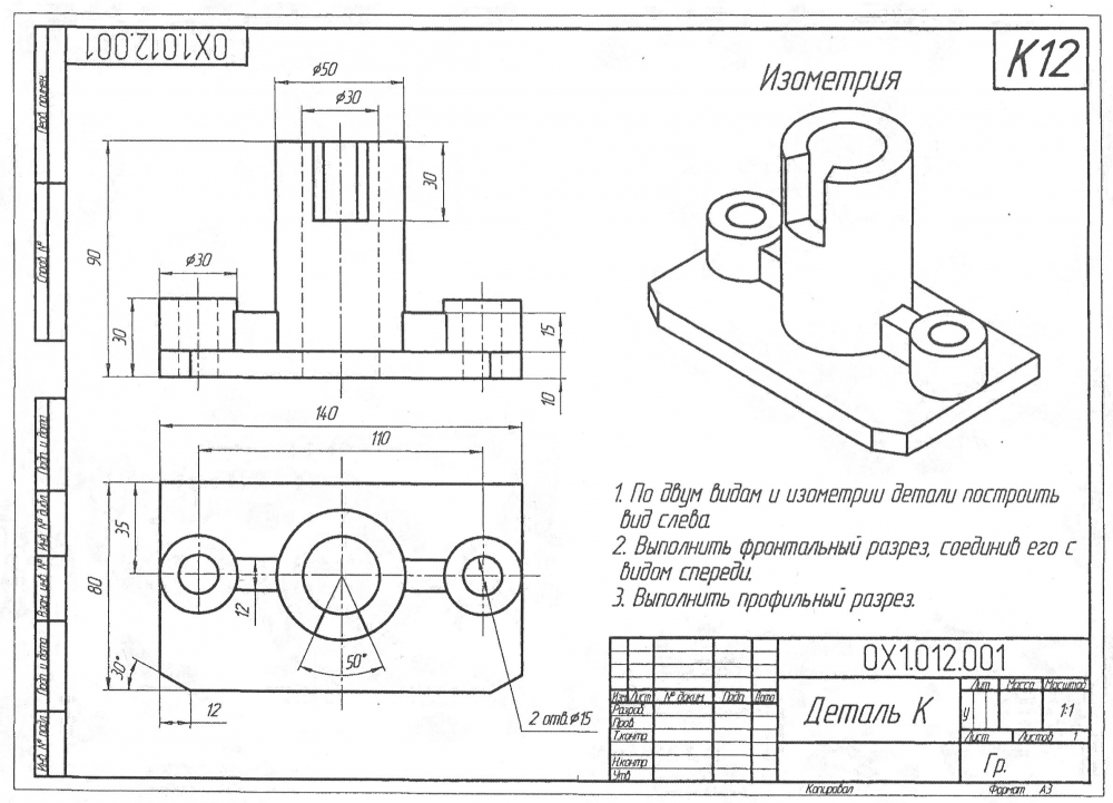
В архиве - 3D модель и чертеж детали К из комплекта заданий по инженерной графике для 2 семестра. На чертеже представлены 3 вида детали с необходимыми разрезами. Чертеж из pdf-файла можно сразу переносить на ватман.
![]()

Характеристики домашнего задания
Предмет
Учебное заведение
Семестр
Номер задания
Вариант
Программы
Просмотров
25
Качество
Идеальное компьютерное
Размер
1,1 Mb
Список файлов
Деталь К (12)
OldVersions
Деталь К.0001.ipt
Деталь К.0006.dwg
lockfile.lck
Деталь К.dwg
Деталь К.ipt
Деталь К.pdf
OpelBlitz