Для студентов МАИ по предмету Инженерная графикаДеталь ЛДеталь Л
5,0052
2023-02-132023-02-13СтудИзба
ДЗ Л: Деталь Л вариант 9
Описание
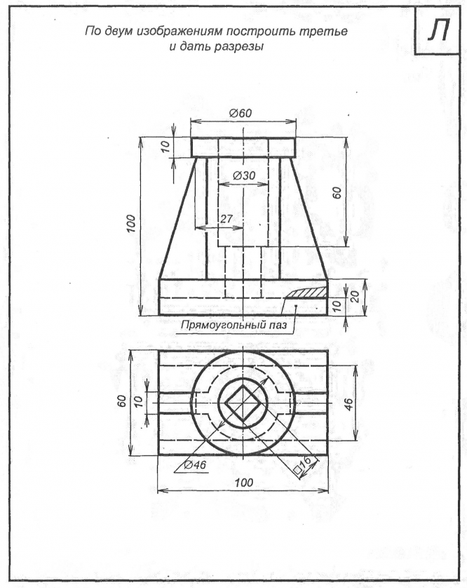
В архиве - 3D модель и чертеж детали из комплекта заданий по инженерной графике для 2 семестра. На чертеже показаны 3 вида детали и выполнены необходимые разрезы.
![]()
Характеристики домашнего задания
Предмет
Учебное заведение
Семестр
Номер задания
Вариант
Программы
Просмотров
22
Качество
Идеальное компьютерное
Размер
1,32 Mb
Список файлов
Деталь Л
OldVersions
Деталь Л.0001.ipt
Деталь Л.0006.dwg
lockfile.lck
~Деталь Л.dwg.5220.tmp
Деталь Л.dwg
Деталь Л.ipt
Деталь Л.pdf
OpelBlitz
МАИ
OpelBlitz
















