Для студентов МГТУ им. Н.Э.Баумана по предмету Инженерная графикаГоловка пневматического патрона ДЗ№2 (13-12)Головка пневматического патрона ДЗ№2 (13-12)
5,0052
2022-11-192025-09-10СтудИзба
ДЗ 13-12: Головка пневматического патрона ДЗ№2 (13-12)
Описание

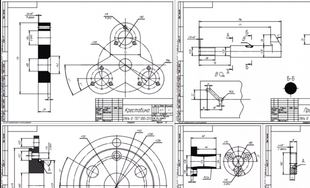
1)Втулка
2)Крестовина
3)Прихват
4)Пробка
5)Фланец
Все выполнено в программе КОМПАС 3D. ДЗ принял Бескровный.
Характеристики домашнего задания
Предмет
Учебное заведение
Семестр
Номер задания
Просмотров
68
Качество
Идеальное компьютерное
Размер
395,03 Kb
Преподаватели
Список файлов
Балдин Э1-31 Дз 2.pdf
Втулка.cdw
Крестовина.cdw
Прихват.cdw
Пробка.cdw
Фланец.cdw
