Для студентов МГТУ им. Н.Э.Баумана по предмету Инженерная графикаСборка №19-10 - Вентиль. деталировка, модель каждой детали, спецификация, сборкаСборка №19-10 - Вентиль. деталировка, модель каждой детали, спецификация, сборка
5,0051
2022-02-112022-02-11СтудИзба
ДЗ 19: Сборка №19-10 - Вентиль. деталировка, модель каждой детали, спецификация, сборка вариант 10
Описание
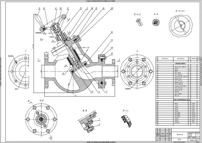
В данном файле имеется: деталировка, модель каждой детали + чертежи, спецификация, сборка + чертеж. Так же имеются все ipt и dwg файлы.
Характеристики домашнего задания
Предмет
Учебное заведение
Семестр
Номер задания
Вариант
Просмотров
77
Размер
19,16 Mb
Список файлов
Вентиль 19-10
Деталировка
1.jpg
2.jpg
все чертежи
Валик.pdf
Клапан.pdf
Крышка.pdf
Сборка.pdf
Спецификация.pdf
Спецификация.xls
Шпиндель.pdf
корпус.pdf
фланецА3.pdf
фланецА4.pdf
модели
OldVersions
Валик.0005.ipt
Гайка.0005.ipt
Клапан.0004.ipt
Крышка.0003.ipt
Маховик.0008.ipt
Ручка.0002.ipt
Сборка1.0019.iam
Шпиндель.0001.ipt
корпус.0019.ipt
прокладка 15.0002.ipt
прокладка 16.0002.ipt
прокладка 17.0001.ipt
сИЛЬФОН.0005.ipt
фланецА3.0003.ipt
МГТУ им. Н.Э.Баумана
Danushka


















