Для студентов МГТУ им. Н.Э.Баумана по предмету Инженерная графикаСборка - ВкладышСборка - Вкладыш
4,855420
2021-12-292021-12-29СтудИзба
ДЗ: Сборка - Вкладыш
Описание
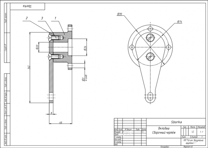
В данной папке вы найдете: модель сборки, модель фланца, модель рычага, модель винта, спецификация (exel), чертеж сборки
![]()
Характеристики домашнего задания
Предмет
Учебное заведение
Семестр
Просмотров
160
Качество
Идеальное компьютерное
Размер
797,17 Kb
Список файлов
сборка вкладыш
Flanets.ipt
InkedРисунок1_LI.jpg
Rychag.ipt
Sborka (3).iam
Vint_M8kh20 (1).ipt
Спецификация таблица.xls
Комментарии
Нет комментариев
Стань первым, кто что-нибудь напишет!
МГТУ им. Н.Э.Баумана















