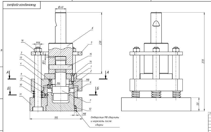
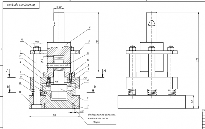
Для студентов МГТУ им. Н.Э.Баумана по предмету Инженерная графикаШтамп для жидкой штамповки готовоеШтамп для жидкой штамповки готовое
5,0058
2021-03-212021-03-21СтудИзба
ДЗ: Штамп для жидкой штамповки готовое
Описание
Характеристики домашнего задания
Предмет
Учебное заведение
Семестр
Просмотров
214
Размер
21,56 Mb
Список файлов
Сборочка 19 вариант
OldVersions
неподвижная часть 2.0007.iam
подвижная часть.0009.iam
сборка штампа.0014.iam
1 поз чертеж.idw
1 поз чертеж.pdf
1 поз.ipt
2 поз чертеж.idw
2 поз чертеж.pdf
2 поз.idw
2 поз.ipt
3 поз.dwg
3 поз.ipt
3 поз.pdf
4 поз добить.dwg
4 поз добить.ipt
4 поз.pdf
5 поз.dwg
5 поз.ipt
5 поз.pdf
6 поз.dwg
6 поз.ipt
6 поз.pdf
7 поз.dwg
7 поз.ipt
7 поз.pdf
8 поз.dwg
8 поз.ipt
8 поз.pdf
9 поз досмотр-1.dwg
Комментарии
Нет комментариев
Стань первым, кто что-нибудь напишет!
МГТУ им. Н.Э.Баумана
vk_jsadykov


















