Для студентов МГТУ им. Н.Э.Баумана по предмету Инженерная графикаПневмоцилиндр 10Пневмоцилиндр 10
5,0051
2021-02-202021-02-20СтудИзба
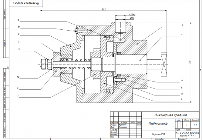
ДЗ: Пневмоцилиндр 10 вариант 10
Описание
Характеристики домашнего задания
Предмет
Учебное заведение
Семестр
Вариант
Просмотров
151
Размер
11,96 Mb
Список файлов
Пневмоцилиндр 10
OldVersions
Гайка (поз.7).0001.ipt
Кольцо (поз.5).0003.ipt
Кольцо (поз.8).0003.ipt
Крышка (поз.2).0003.ipt
Пневмоцилиндр.0017.idw
Пневмоцилиндр.0036.iam
Пробка (поз.6).0002.ipt
Пружина (поз.3).0003.ipt
Спецификация (пневмоцилиндр) .0030.idw
Цилиндр (поз.1).0017.ipt
Шток (поз.4).0003.ipt
Пневмоцилиндр
Мастер проектирования
OldVersions
Пружина сжатия4.0002.iam
Пружина сжатия14.0002.ipt
Пружина сжатия4.iam
Пружина сжатия14.ipt
Klapan_obratny.idw
Spetsifikatsia.idw
Пневмоцилиндр ( разборка).pdf
Пневмоцилиндр (в цвете).iam
Пневмоцилиндр (разрез).pdf
Пневмоцилиндр(готовый чертеж).pdf
Пневмоцилиндр(чертеж).pdf
Пневмоцилиндр.dwfx
Пневмоцилиндр.iam
Пневмоцилиндр.idw
Пневмоцилиндр.pdf
Комментарии
Нет комментариев
Стань первым, кто что-нибудь напишет!
МГТУ им. Н.Э.Баумана


















