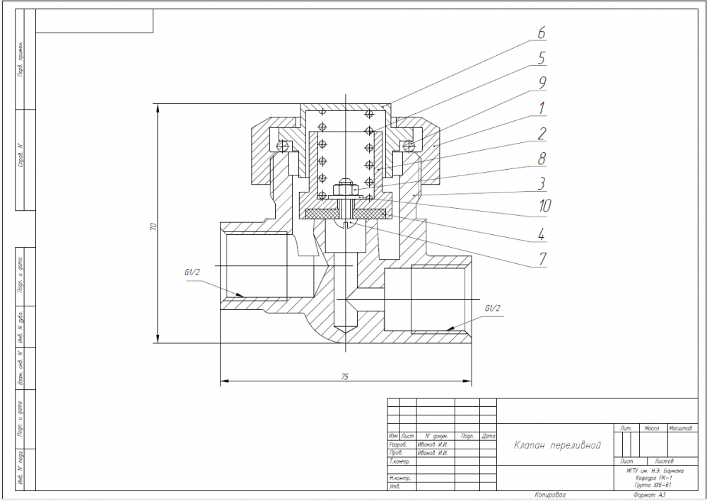
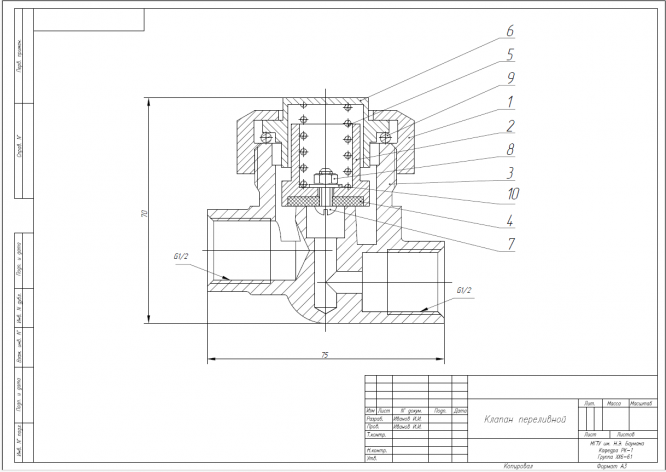
Для студентов МГТУ им. Н.Э.Баумана по предмету Инженерная графикаКлапан переливнойКлапан переливной
5,0051
2020-11-132024-10-02СтудИзба
ДЗ: Клапан переливной вариант 19
-50%
Описание
Файлы условия, демо
Характеристики домашнего задания
Предмет
Учебное заведение
Семестр
Вариант
Программы
Просмотров
94
Качество
Идеальное компьютерное
Размер
2,93 Mb
Список файлов
19
19. Клапан переливной.dwg
19. Клапан переливной.frw
Детали.JPG
Задание.JPG
Корпус.JPG
Сборка.pdf
Спецификация.pdf

Вам все понравилось? Получите кэшбэк - 40 рублей на Ваш счёт при покупке. Поставьте оценку и напишите положительный комментарий к купленному файлу. После Вы получите деньги на ваш счет.