Для студентов МГТУ им. Н.Э.Баумана по предмету Инженерная графикаСборка 16 - РаспределительСборка 16 - Распределитель
5,0056
2020-10-242020-10-24СтудИзба
ДЗ: Сборка 16 - Распределитель вариант 16
Описание
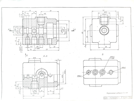
Модели+Сборка+Чертеж+Спецификация.
ПЕРЕД СКАЧИВАНИЕМ УБЕДИТЕСЬ ЧТО ВЕРСИЯ КОМПАСА НЕ НИЖЕ 18.1 !!!
![]()
ПЕРЕД СКАЧИВАНИЕМ УБЕДИТЕСЬ ЧТО ВЕРСИЯ КОМПАСА НЕ НИЖЕ 18.1 !!!

Характеристики домашнего задания
Предмет
Учебное заведение
Семестр
Вариант
Просмотров
88
Размер
2,79 Mb
Список файлов
Сборка 4 сем 2 модуль
3AF1E147.tmp
~$ольцо2.m3~
Втулка.m3d
Втулка2.m3d
Золотник.m3d
Колпак.m3d
Кольцо2.m3d
Кольцо3.m3d
Кольцо4.m3d
Корпус.m3d
Пробка.m3d
Пружина.m3d
Сборка.a3d
Сборка.cdw
Сборка.pdf
Спецификация финал.pdf
Спецификация финал.xlsx
Спецификация.frw
Спецификация.spw
Комментарии
Нет комментариев
Стань первым, кто что-нибудь напишет!
МГТУ им. Н.Э.Баумана



















