Для студентов МГТУ им. Н.Э.Баумана по предмету Инженерная графикараспределительраспределитель
5,0055
2020-07-272020-07-27СтудИзба
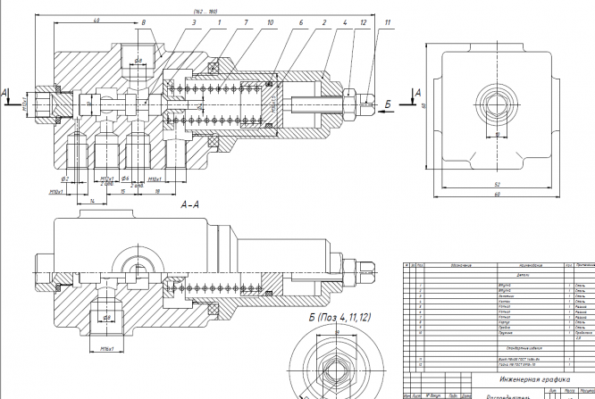
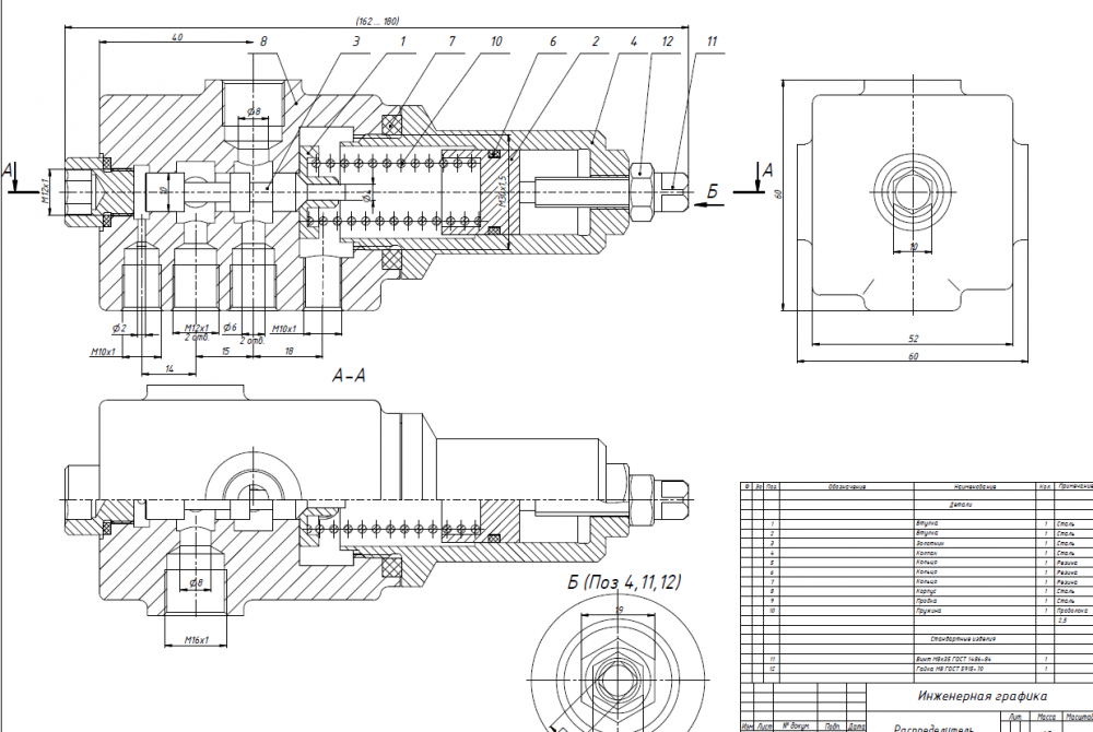
ДЗ: распределитель
Описание
Характеристики домашнего задания
Предмет
Учебное заведение
Семестр
Просмотров
404
Размер
2,57 Mb
Список файлов
Распределитель
Втулка.ipt
Втулка2.ipt
Золотник.ipt
Колпак.ipt
Кольцо2.ipt
Кольцо3.ipt
Кольцо4.ipt
Пробка.ipt
Сборка1.iam
Сборка1.idw
Сборка1.pdf
корпус.ipt
прууууууужинка.ipt
Комментарии
Нет комментариев
Стань первым, кто что-нибудь напишет!
МГТУ им. Н.Э.Баумана


















