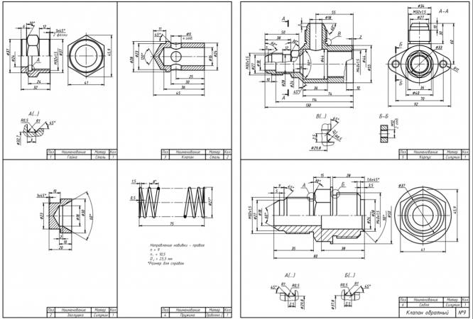
Для студентов МГТУ им. Н.Э.Баумана по предмету Инженерная графикаСборка 9 - Клапан обратныйСборка 9 - Клапан обратный
5,00510
2020-07-022020-07-02СтудИзба
ДЗ: Сборка 9 - Клапан обратный вариант 9
Описание
Характеристики домашнего задания
Предмет
Учебное заведение
Семестр
Вариант
Просмотров
281
Размер
8,82 Mb
Список файлов
OldVersions
Сборка ласт.0002.dwg
Сборка.0002.dwg
Сборка.0004.iam
Сборка2.0002.dwg
гайка.0001.ipt
заглушка.0001.ipt
клапан.0001.ipt
корпус.0001.ipt
прокладка.0001.ipt
пружина.0002.ipt
седло.0001.ipt
GOSTBOMListTmp.xls
Сборка ласт.dwg
Сборка ласт.pdf
Сборка ласт1.dwg
Сборка.dwg
Сборка.iam
Сборка2.dwg
гайка.ipt
заглушка.ipt
клапан.ipt
корпус.ipt
прокладка.ipt
пружина.ipt
седло.ipt
Комментарии
Нет комментариев
Стань первым, кто что-нибудь напишет!
МГТУ им. Н.Э.Баумана


















