Для студентов МГТУ им. Н.Э.Баумана по предмету Инженерная графикаСтеллаж Ж-10Стеллаж Ж-10
2019-05-162019-05-16СтудИзба
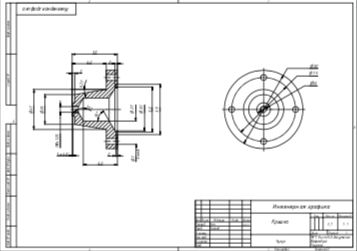
ДЗ Ж: Стеллаж Ж-10 вариант 10
Описание
Чертеж (качать не нужно - итак фулл)
Инвентор (превью)
Что туда входит: idw; idw; pdf; 2x png
все для инвентора 16 года + пдф и тд + чертеж
Инвентор (превью)
Что туда входит: idw; idw; pdf; 2x png
все для инвентора 16 года + пдф и тд + чертеж
Характеристики домашнего задания
Предмет
Учебное заведение
Семестр
Номер задания
Вариант
Просмотров
651
Размер
2,8 Mb
Список файлов
__MACOSX
Ж10
._Деталь Ж-10.idw
._Деталь Ж-10.ipt
._Деталь Ж-10.pdf
._чертеж.png
Ж10
Деталь Ж-10.idw
Деталь Ж-10.ipt
МГТУ им. Н.Э.Баумана
ph4nt0m7


















